Запчасти Bobcat 500s CAB ENCLOSURE (Special Applications) ACCESSORIES & OPTIONS

Схема запчастей Bobcat 500s - CAB ENCLOSURE (Special Applications) ACCESSORIES & OPTIONS
FIT
1:1
100%

Артикул

Название

Примечание

Количество

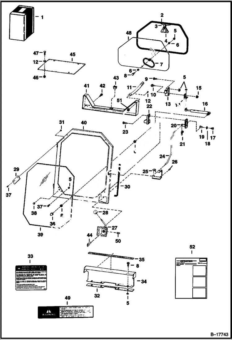
1

KIT NLA - Ref. 2-52 - Was SALES - A

2

6658352

MOULDING bulk - sold per foot - Was 6554221 - A

3

6554149

CORD, BULK/FT bulk - sold per foot - Also Order Ref. 4 (6731478 exit tag) - Was 6554223

4

6731478

EXIT TAG Exit - Was 6559515 - A

5

83D5

NUT 5

6

25E16

WSHR

7

6555331

WIRE ROPE

8

35C516

BOLT 10

9

10C512

BOLT Was 6553808 - A

10

35C412

BOLT

11

6631935

HANDLE

12

7G416

BOLT Was 7G000412B - B

13

6571715

HINGE

14

6568055

BRACKET

15

83D4

NUT 10

16

6630797

GAS SPRING

17

17C714

BOLT

18

25E19

WASHER

19

6568047

NUT bushing

20

6660932

LATCH Was 6630614 - A

21

6519480

CLIP Was 6512274 - D

22

6568728

SHIELD

23

35C416

BOLT

24

6704425

ROD Was 6576470 - A

25

6704426

RETAINER Was 6576474 - A

26

45G1008

BOLT

27

6641274

LATCH

28

6647635

KNOB

29

6576238

CLIP window

30

6568704

MOULDING bulk - Sold Per Foot

31

57D5

NUT

32

6569352

SPACER

33

6563410

DECAL

34

6568164

SHIELD

35

6564833

SAFETY TREAD

36

46D5

NUT

37

25G510

BOLT

38

6632454

PLUG

39

6569033

WINDOW .50'' poly-carbonate - Was NSS - D

40

DOOR NLA - Was 6704434 - A

41

6704428

SHIELD Was 6576471 - A

42

84G3112

BOLT 5

43

6631009

SWITCH

44

6632560

KEY

45

6705216

WINDOW top - Was 6564829 - A

46

83D6

NUT 5 Was 85D000006B - B

47

35C616

BOLT 5 Was 17C000616B - B

48

6564830

WINDOW rear

49

6531482

DECAL warning

50

6662834

SPRING

51

7160765

NUT Was 6660988 - A

52

6570279

INSTRUCTIONS

Выбрано товаров: 52