Запчасти Bobcat 500s CAB OPTIONS (Standard) (S/N 11088 & Below) ACCESSORIES & OPTIONS

Схема запчастей Bobcat 500s - CAB OPTIONS (Standard) (S/N 11088 & Below) ACCESSORIES & OPTIONS
FIT
1:1
100%

Артикул

Название

Примечание

Количество

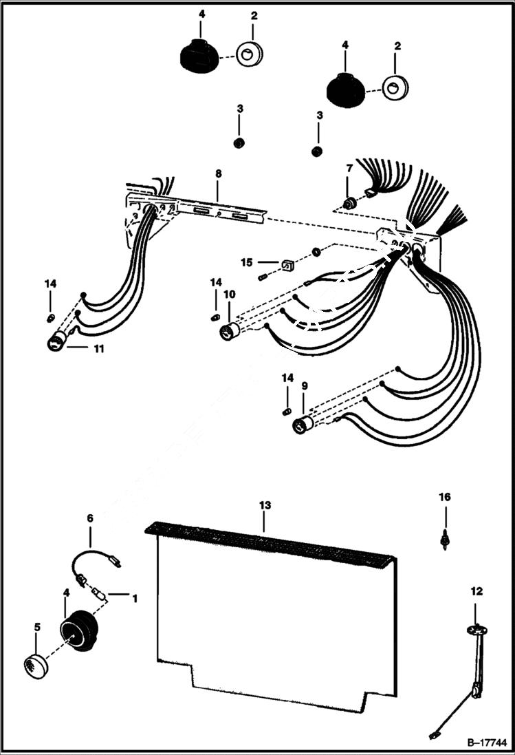
1

898731

1156 BULB

2

6557486

LAMP

3

6557493

GROMMET

4

6558142

HOUSING

5

6563740

LAMP

6

6564907

SOCKET ASSY

7

6512808

SWITCH

8

6568211

PANEL instrument

9

6631649

GAUGE See BTI259 - engine temp.

9

GAUGE See BTI259 NLA - eng temp - W/clamp - Order 6669663 gauge & 6679027 clamp - Was 6658817 - A

9

6669663

GAUGE See BTI259 eng temp - W/O clamp

10

FUEL GAUGE NLA - W/clamp - Order 6669665 gauge & 6679027 clamp - Was 6658820 - A

10

6669665

FUEL GUAGE W/O clamp

11

VOLTMETER NLA - W/clamp - Order 6669664 voltmeter & 6679027 clamp - Was 6658819 - A

11

6669664

VOLTMETER W/O clamp

12

6568175

SENDER, FUEL fuel level

13

6568271

INSULATION cab back

14

6599696

SOCKET & BULB assy.

14

895771

#161 BULB

15

6599781

KNOB light switch

16

SENDER See BTI259 - NLA - eng. temp. - Was 6599492 - A

16

6658818

SENDER See BTI259 eng temp - threaded connector

Выбрано товаров: 22