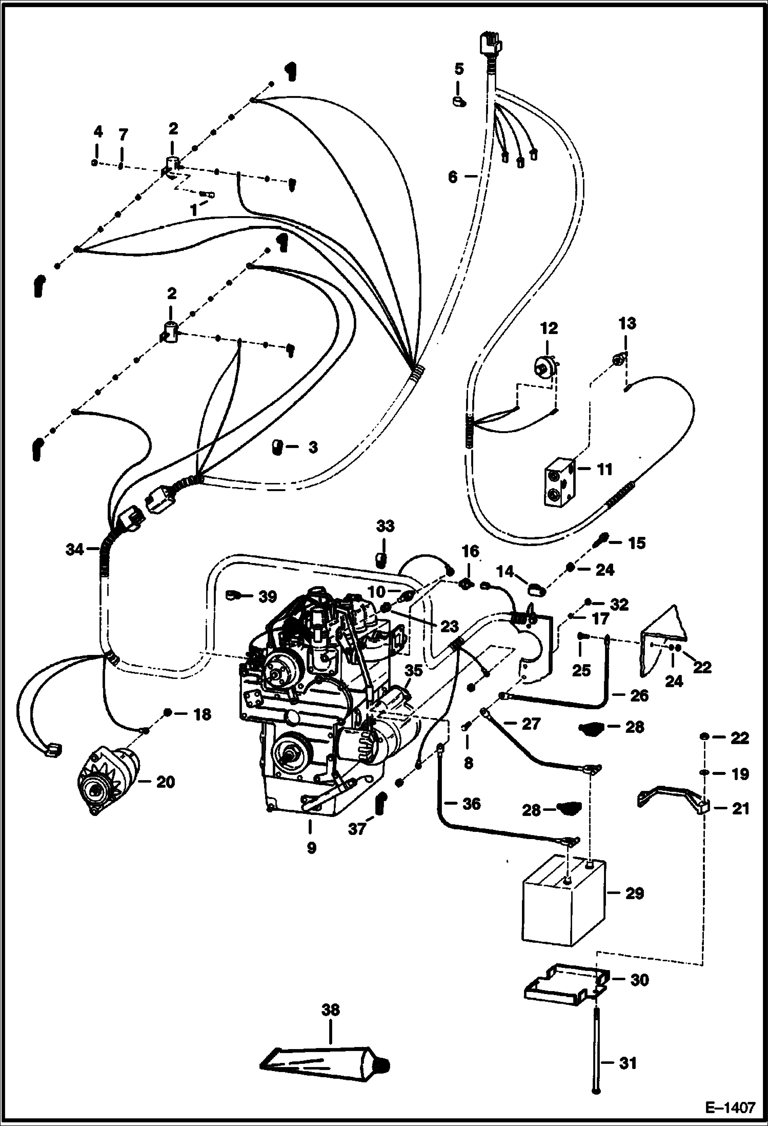
Запчасти Bobcat 500s ENGINE ELECTRICAL SYSTEM (S/N 25462 & Below) ELECTRICAL SYSTEM

Схема запчастей Bobcat 500s - ENGINE ELECTRICAL SYSTEM (S/N 25462 & Below) ELECTRICAL SYSTEM
FIT
1:1
100%

Артикул

Название

Примечание

Количество

1

17C410

BOLT 10

2

6659319

SOLENOID Was 6632186 - A

3

30H54

CLIP

4

85D4

NUT 5

5

30H42

CLAMP

6

6564860

HARNESS

7

6E4

WASHER 10

8

17C616

BOLT 5

9

ENGINE See Illustration ENGINE & GASKET KITS/ B17814 NLA - Order 6563734REM - Was 6563734 - A

10

SWITCH See BTI259 NLA - eng. temp. - 1/8'' threads - See Ref. 23 - Was 6599492 - A

10

6658818

SENDER See BTI259 eng temp - threaded connector

11

6565550

PORT BLOCK Was 6564222 - A

12

6671062

SWITCH hydrostatic pressure - Was 6664577 - A

13

6632633

SWITCH hyd temp - Was 6564560 - A

14

30H37

CLAMP

15

84G3112

BOLT 5

16

6969775

SWITCH, OIL PRESSURE engine oil pressure - Was 6652576 - A

17

6E6

WASHER

18

1DM6

NUT Use W/Delco Alternator - Was 4DM6 - A

19

25E15

WASHER

20

ALTERNATOR See Illustration ALTERNATOR/ C1802

21

6569203

CLAMP Was 6563462 - A

22

61D5

NUT

23

19F4

BUSHING Use wit Ref. 10 - If engine has 1/2'' hole for temp switch

24

6E5

WASHER

25

17C512

BOLT 5

26

6563025

CABLE

27

6553094

CABLE Was 6562905 - A

28

2356058

BOOT

29

6674687

BATTERY, DRY 600 AMP Was 6669318 - A

29

6630154

CAP gang - Danger

29

6630155

CAP gang - Poison

29

6514898

CAP gang - Tilt Tite

30

6558826

MOUNT

31

6569623

BOLT Was 6568623 - D

32

61D6

NUT 5

33

30H55

CLIP

34

6564859

HARNESS Delco Alternator

34

6569978

HARNESS Bobcat Alternator

35

6599152

STARTER See Illustration STARTER/ B1192

36

6557450

CABLE

37

6560172

COVER

38

6599360

SEALANT, ELEC .3 OZ electrical - tube - 3 oz

39

30H45

CLIP

Выбрано товаров: 44