Запчасти Bobcat 500s ENGINE & ATTACHING PARTS POWER UNIT

Схема запчастей Bobcat 500s - ENGINE & ATTACHING PARTS POWER UNIT
FIT
1:1
100%

Артикул

Название

Примечание

Количество

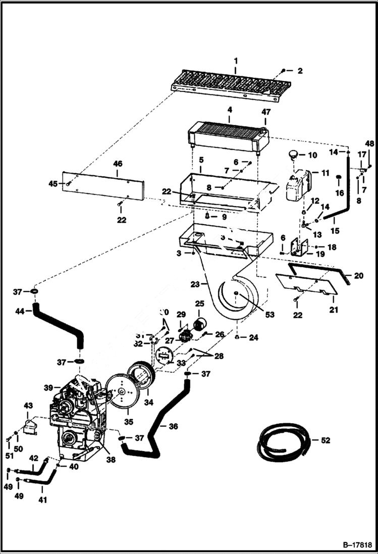
1

6567866

GRILL

2

84G3712

BOLT 5

3

1323182

NUT

4

6678670

EXCHANGER, WATER RADIATOR Was 6563691 - A

5

6563901

MOUNT

6

10C512

BOLT Was 6553808 - A

7

774220

NUT

8

83D5

NUT 5

9

35C510

BOLT

10

6702797

CAP Was 6558658 - A

11

6562509

TANK W/O Barbed Fitting - Used with Ref. 12 & 13 - Was NLA - D

11

6576660

TANK, WATER COOLANT W/bottom molded barbed elbow

12

6553411

BUSHING 0.38'' ID

13

6553412

ELBOW Not used with 6576660 Tank

14

42HS04

CLAMP, HOSE Was 6515575 - A

15

HOSE NLA - 39''(990,6 mm) long - Order Ref. 52

16

1303932

GROMMET

17

30H34

CLAMP

18

57D5

NUT

19

6562599

MOUNT

20

6564969

STRIP foam

21

6579145

COVER Was 6563821 - A

22

35C512

BOLT Was 31C000512B - A

23

6563820

HOUSING

24

RIVET NLA - Order 35C-620 & 59D-6 - Was 1316539B - A

24

35C620

BOLT 5

25

6562960

YOKE, POWER TRANSFER See Illustration UNIVERSAL JOINT/ B17600

26

94G510

BOLTS 5

27

6598347

U-JOINT See Illustration UNIVERSAL JOINT/ B17600

28

17C616

BOLT 5

29

94G512

BOLTS 5

30

6630202

BOLT

30

6661636

BOLT

31

6598846

WASHER

32

6598847

WASHER

33

6562873

ADAPTER, YOKE

34

6564751

BLOWER WHEEL

35

6563898

FLYWHEEL W/Ring Gear

35

6562279

RING GEAR

36

6563828

HOSE

37

44H20

CLAMP Was 6666864 - A

38

OIL FILTER See Illustration GEARCASE/ B17729

39

ENGINE See Illustration ENGINE & GASKET KITS/ B17814 NLA - Order 6563734REM - Was 6563734 - A

40

42H12

CLAMP 10

41

6564288

HOSE drain - 1/2'' I.D.

41

6565820

HOSE drain - 5/8'' I.D.

42

6563445

HOSE drain

43

6564528

BRACKET

44

6564053

HOSE Was 6563827 - A

45

84G3112

BOLT 5

46

6563900

COVER

47

6666606

RADIATOR CAP Was 6665383 - A

48

37C516

BOLT Was 6565089 - A

49

36K6

CAP 1/2''

49

36K8

CAP 5/8''

50

6EM60

WASHER, SPRING

51

4CM660

BOLT

52

6577822

HOSE bulk - Sold Per Foot - Was 6564030 - A

53

59D6

NUT

Выбрано товаров: 59