Запчасти Bobcat 500s OPERATOR CAB MAIN FRAME

Схема запчастей Bobcat 500s - OPERATOR CAB MAIN FRAME
FIT
1:1
100%

Артикул

Название

Примечание

Количество

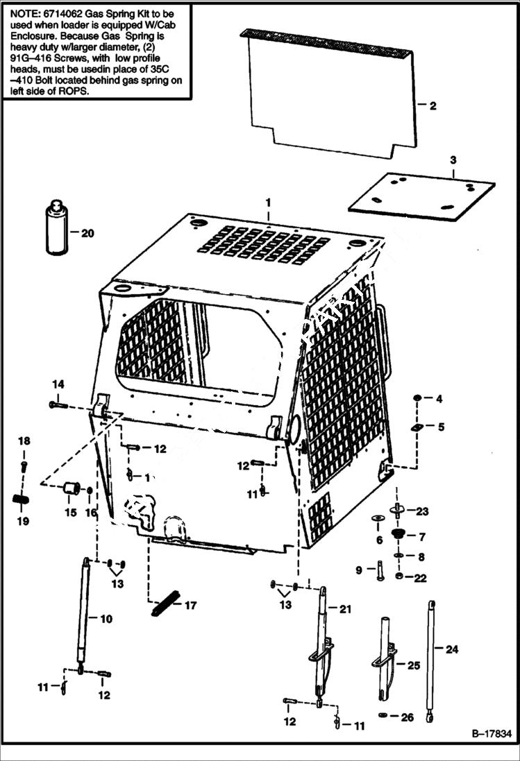
1

6569249

OPERATOR CAB Includes Decals

2

6568271

INSULATION cab back

3

6567890

INSULATION seat pan

4

85D8

NUT, 5

5

6553709

WASHER

6

6543321

WASHER flat round - Use W/ Ref. 9

7

6560633

DAMPENER

8

6515817

WASHER

9

17C840

BOLT hex cap screw - grade 8

10

6700171

GAS SPRING w/o lock - also order 6675257, clevis - Was 6706590 - A

10

6714062

KIT W/O Lock - heavy duty gas spring - See Note

10

91G416

SCREW See Note

10

6900531

INSTRUCTIONS

11

6631418

RING, RETAINING

12

6567743

PIN

13

6567604

SPACER

14

17C1056

BOLT

15

6562602

BUSHING rubber

16

83D10

NUT 5

17

6555351

SEAL bulk - sold per foot

18

84G2516

BOLT

19

6568475

STOP

20

6632469

ADHESIVE insulation - 24 oz. spray can

21

GAS SPRING NLA - W/Lock - Order Ref. 24-26 - Was 6701176 - A

22

85D8

NUT, 5 hex locknut

23

6702971

BOLT bolt assy dog washer

24

6664205

GAS SPRING also order 6675257, clevis

24

6675257

CLEVIS

25

6708189

TUBE stop - Was 6701175 - A

26

6701174

WASHER

Выбрано товаров: 30