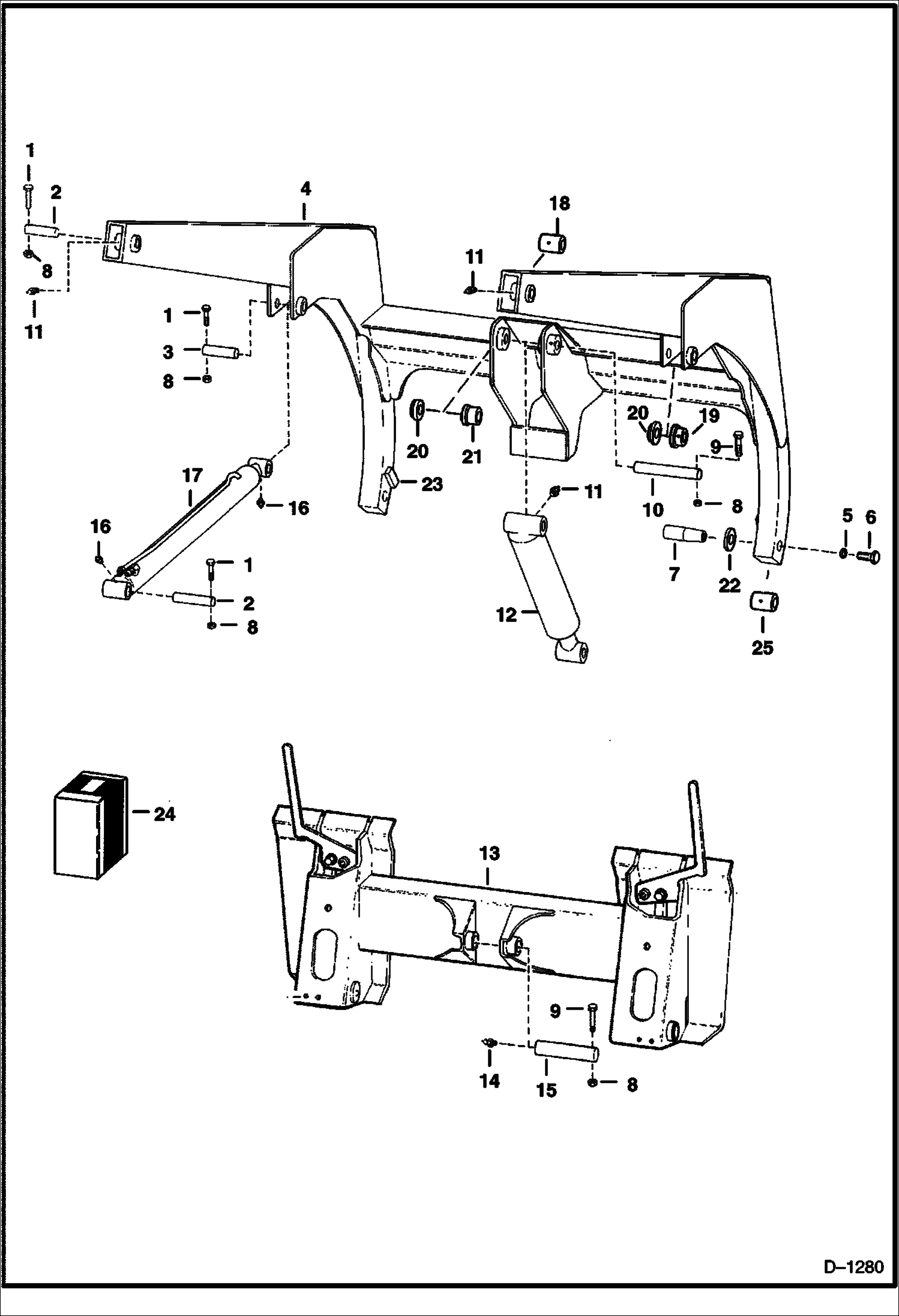
Запчасти Bobcat 500s LIFT ARMS & BOB-TACH (S/N 11145 & Below) MAIN FRAME

Схема запчастей Bobcat 500s - LIFT ARMS & BOB-TACH (S/N 11145 & Below) MAIN FRAME
FIT
1:1
100%

Артикул

Название

Примечание

Количество

1

17C640

BOLT 5

2

6547595

PIN

3

6547593

PIN, PIVOT

4

LIFT ARM NLA - Order 6711780 Lift Arm, 6706143 Bob-Tach & 6565503 Mount - Was 6562941 - A

5

6555455

WASHER

6

17C1020

BOLT 5 1.25'' (31,8 mm) long

6

17C1064

BOLT 5 4'' (101,6 mm) long

7

PIN NLA - Order Ref. 24 - Was 6555449 - A

8

85D6

NUT, 5

9

17C632

BOLT 5

10

6704288

PIN, PIVOT Was 6553061 - A

11

10H35

FITTING, GREASE 10

12

CYLINDER See Illustration TILT CYLINDER/ C2868 TILT

13

BOB-TACH See Illustration BOB-TACH/ C2658 WAS SALES - A

14

10H25

FITTING, GREASE 5

15

6703572

PIN, PIVOT Was 6560704 - A

16

11H25

FITTING10

17

CYLINDER See Illustration LIFT CYLINDER/ B6942 LIFT

18

6578356

BUSHING Weld On

19

6555987

BUSHING weld on

20

6555989

BUSHING Weld On

21

6557095

BUSHING Weld On

22

27E18

WASHER 5 See BTI178

23

6568778

STOP weld on

24

6707521

PIN KIT

25

6714874

BUSHING, WELD-ON weld-on-W/tapered hole - 1.25''(31,8 mm)

Выбрано товаров: 26