Качественные детали и логистика
Оригинальные и аналоговые запчасти с доставкой по России, Казахстану и Беларуси
©2022 PartSell ООО "Система" ИНН 2463123282 ОГРН 1212400004838
Центральный офис: г. Красноярск, Академика Киренского, д.87, пом.4
Телефон: 8 (800) 777-65-74 Email: zakaz@partsell.ru
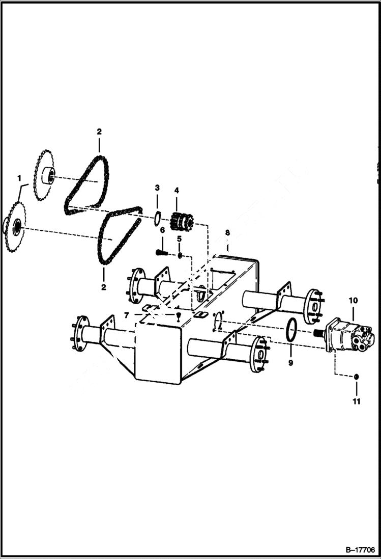
DRIVE TRAIN
№
Артикул
Название
Примечание
Количество
1
6548891
SPROCKET
2
6630205
DRIVE CHAIN Diamond
6690990
CHAIN Tsubaki
6515191
LINK connector - Diamond - Use W/ 6630205 chain
6691089
LINK connector - Tsubaki - Use W/ 6690990 chain
3
791442
SNAP RING
4
6714469
SPROCKET Was 6565185 - A
5
6564740
WASHER
6
6564741
BOLT
7
6558506
PLUG
8
6565284
CHAINCASE
9
25K30424
O RING 10
10
MOTOR See Illustration HYDROSTATIC MOTOR/ D1678 HYDRO.
11
86D8
NUT
Выбрано товаров: 0