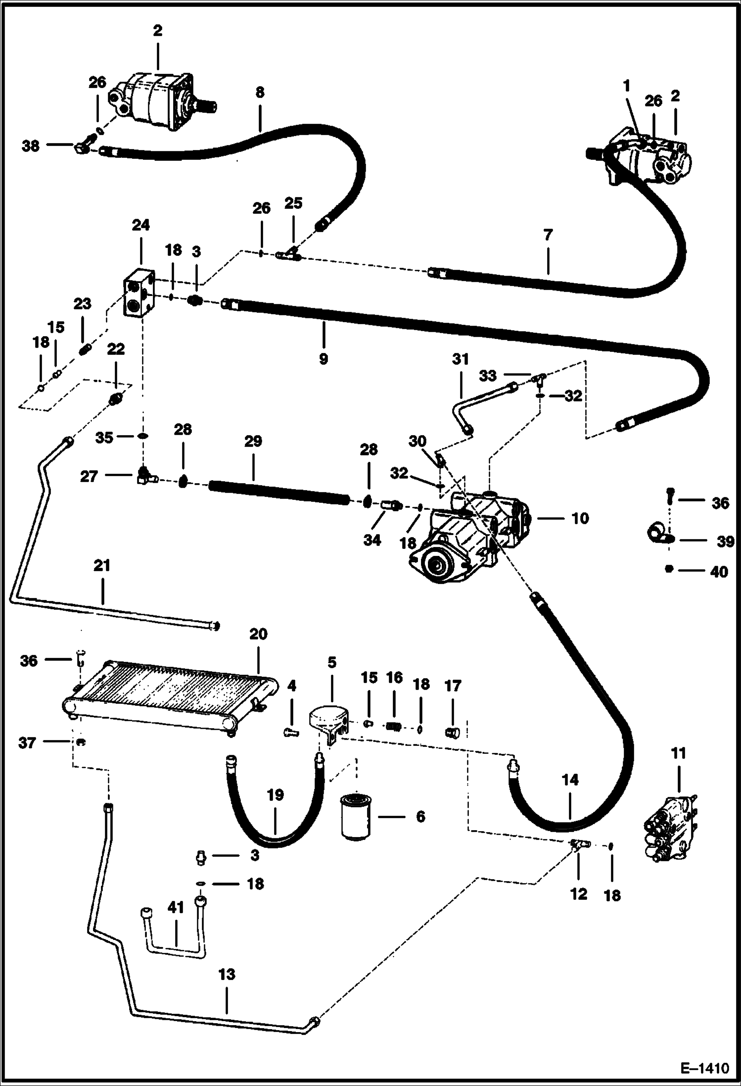
Запчасти Bobcat 500s HYDROSTATIC CIRCUITRY HYDROSTATIC SYSTEM

Схема запчастей Bobcat 500s - HYDROSTATIC CIRCUITRY HYDROSTATIC SYSTEM
FIT
1:1
100%

Артикул

Название

Примечание

Количество

1

15K5

FITTING W/Ref. 26

2

MOTOR See Illustration HYDROSTATIC MOTOR/ D1678

3

15K7

FITTING W/Ref. 18

4

84G3712

BOLT 5

5

HEAD NLA - Was 6567863 - A

6

6630494

ELEMENT

7

6577891

HOSE Was 6564717 - A

8

6577892

HOSE Was 6564148 - A

9

6564150

HOSE Use W/Out Back-up Alarm

9

6702181

HOSE Use W/ Back-up Alarm

10

PUMP See Illustration HYDROSTATIC PUMP/ D1607

11

VALVE See Illustration HYDRAULIC CONTROL VALVE/ B17835

12

21K7

TEE W/Ref. 18

13

6578687

TUBE

14

6565960

HOSE

15

6515078

POPPET

16

6553897

SPRING

17

6561811

PLUG

18

79K10

O RING 10

19

6579155

HOSE

20

6560954

OIL COOLER

21

6564514

TUBE

22

6559518

ADAPTER W/Ref. 18

23

6564884

SPRING

24

6565550

PORT BLOCK

25

21K5

TEE W/Ref. 18

26

79K6

O RING 10

27

6567886

ELBOW W/Ref. 26

28

42H12

CLAMP 10

29

6567888

HOSE

30

6563653

TEE W/Ref. 32 - for switch

31

6563645

TUBE

32

79K8

O RING 10

33

19K6

FITTING W/Ref. 32

34

6567885

ADAPTER W/Ref. 32

35

79K12

O RING 10

36

37C616

BOLT

37

83D6

NUT 5

38

6558510

ELBOW W/Ref. 26

39

30H50

CLIP

40

61D6

NUT 5

41

TUBE NLA - Order Ref. 26

Выбрано товаров: 42