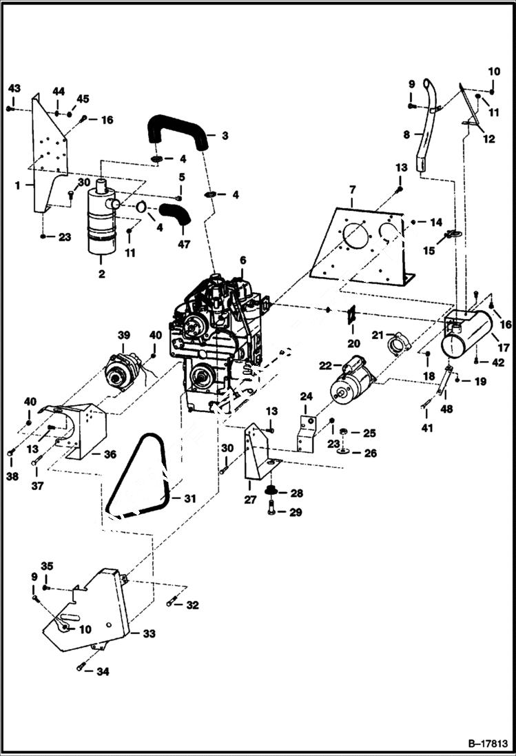
Запчасти Bobcat 500s ENGINE & ATTACHING PARTS POWER UNIT

Схема запчастей Bobcat 500s - ENGINE & ATTACHING PARTS POWER UNIT
FIT
1:1
100%

Артикул

Название

Примечание

Количество

1

6563905

MOUNT

2

AIR CLEANER See Illustration AIR CLEANER/ B17751

3

HOSE NLA - Was 6563826 - A

4

42H32

HS CLAMP5 Was 42H000024B - B

5

6515007

GAUGE

6

ENGINE See Illustration ENGINE/ B17840

7

6563899

MOUNT

8

6563782

PIPE

9

35C512

BOLT Was 31C000512B - A

10

83D5

NUT 5

11

85D5

NUT 5

12

6714363

BRACE Was 6564296 - A

13

5CM1020

SCREW

14

17C644

BOLT

15

710706

CLAMP

16

17C510

BOLT

17

6563783

MUFFLER

18

1CM825

BOLT Was 4CM825 - A

19

61D5

NUT

20

6575580

GASKET muffler

21

6562198

SPACER

22

STARTER See Illustration STARTER/ B1192

23

85D6

NUT, 5

24

6564177

BRACE

25

85D8

NUT, 5

26

6515817

WASHER

27

6563860

MOUNT

28

6560633

DAMPENER rubber

29

17C832

BOLT

30

17C616

BOLT 5

31

6571857

BELT, ALT

32

1CM616

SCREW

33

6564015

SHIELD

34

84G3112

BOLT 5

35

1CM816

BOLT

36

6564337

MOUNT

37

17C648

BOLT 5

38

35C516

BOLT 10

39

ALTERNATOR See Illustration ALTERNATOR/ C3312

40

85D6

NUT, 5

41

17C512

BOLT 5

42

6661062

PLUG brass - 0.38''

43

35C612

BOLT Was 31C000612B - B

44

6E6

WASHER

45

57D6

NUT 5

46

OIL FILTER See Illustration GEARCASE/ B17729

47

6577597

HOSE

48

6564945

BRACKET

Выбрано товаров: 48