Запчасти Bobcat 500s ENGINE & ATTACHING PARTS POWER UNIT

Схема запчастей Bobcat 500s - ENGINE & ATTACHING PARTS POWER UNIT
FIT
1:1
100%

Артикул

Название

Примечание

Количество

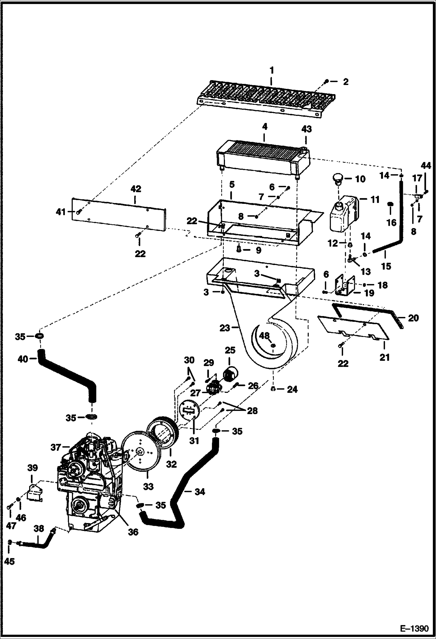
1

6567866

GRILL

2

84G3712

BOLT 5

3

1323182

NUT

4

6678670

EXCHANGER, WATER RADIATOR Was 6563691 - A

5

6563901

MOUNT

6

10C512

BOLT Was 6553808 - A

7

774220

NUT

8

83D5

NUT 5

9

35C510

BOLT

10

6702797

CAP

11

6562509

TANK W/O Barbed Fitting - Used with Ref. 12 & 13

11

6576660

TANK, WATER COOLANT W/bottom molded barbed elbow

12

6553411

BUSHING Not used with 6576660 Tank

13

6553412

ELBOW Not used with 6576660 Tank

14

42HS04

CLAMP, HOSE Was 6515575 - A

15

6577822

HOSE bulk - sold per foot

16

1303932

GROMMET

17

30H34

CLAMP

18

57D5

NUT

19

6562599

MOUNT

20

6564969

STRIP foam

21

6579145

COVER

22

35C512

BOLT Was 31C000512B - A

23

6563820

HOUSING

24

RIVET NLA - Was 1316539B - A

24

35C620

BOLT 5 Order 35C-620 & 59D-6

25

6562960

YOKE, POWER TRANSFER See Illustration UNIVERSAL JOINT/ B17600

26

94G510

BOLTS 5

27

6598347

U-JOINT See Illustration UNIVERSAL JOINT/ B17600

28

17C616

BOLT 5

29

94G512

BOLTS 5

30

6661636

BOLT

31

6562873

ADAPTER, YOKE

32

6564751

BLOWER WHEEL

33

6563898

FLYWHEEL W/Ring Gear

33

6562279

RING GEAR

34

6563828

HOSE

35

44H20

CLAMP Was 6666864 - A

36

OIL FILTER See Illustration GEARCASE/ B17729

37

ENGINE See Illustration ENGINE/ B17840

38

6563445

HOSE drain

39

6564528

BRACKET

40

6564053

HOSE

41

84G3112

BOLT 5

42

6563900

COVER

43

6666606

RADIATOR CAP Was 6630156 - A

44

37C516

BOLT Was 6565089 - A

45

36K6

CAP

46

6EM60

WASHER, SPRING

47

4CM660

BOLT

48

59D6

NUT

Выбрано товаров: 0