Качественные детали и логистика
Оригинальные и аналоговые запчасти с доставкой по России, Казахстану и Беларуси
©2022 PartSell ООО "Система" ИНН 2463123282 ОГРН 1212400004838
Центральный офис: г. Красноярск, Академика Киренского, д.87, пом.4
Телефон: 8 (800) 777-65-74 Email: zakaz@partsell.ru
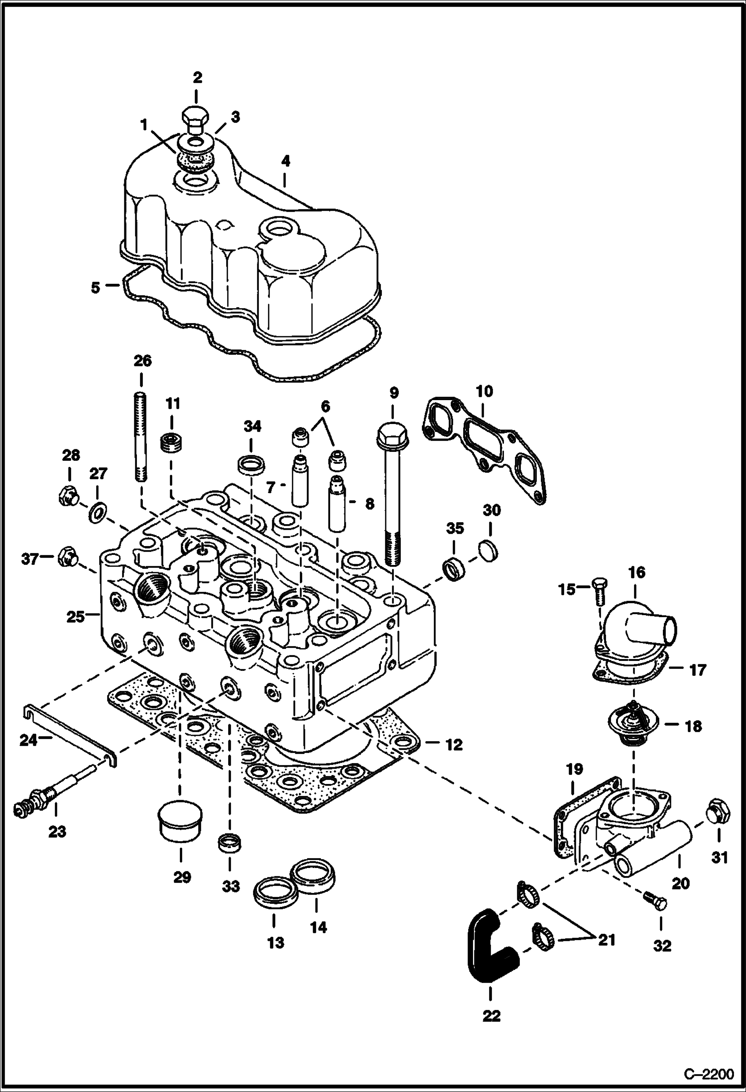
CYLINDER HEAD
№
Артикул
Название
Примечание
Количество
1
6660993
SEAL Was 6512713 - A
2
6512970
NUT
3
6512971
WASHER
4
6512776
VALVE COVER
5
6512712
GASKET
6
6631753
SEAL valve - Was 6512772 - A
7
6512769
VALVE GUIDE Intake
8
6512771
VALVE GUIDE Exhaust
9
6661092
BOLT Was 6512692 - A
10
6512716
GASKET manifold
11
16F8
PLUG
12
6512714
GASKET head
13
6512770
INSERT valve seat - Exhaust
14
6512768
INSERT valve seat - Intake
15
6513009
BOLT
16
6513007
OUTLET
17
6661097
GASKET Was 6512701 - A
18
6555980
THERMOSTAT
19
6512715
20
6512721
HOUSING
21
42H12
CLAMP 10
22
6513014
HOSE
23
6512700
GLOW PLUG
24
6512972
CONNECTOR
25
HEAD NLA - cylinder - W/Ref. 6 - 8, 11, 13, 14, 27-30 & 33-35 - Was 6512767 - A
26
6512690
STUD
27
1FM80115
28
6512965
29
PLUG NLA - Was 6512966 - A
30
6512967
31
6513008
32
6513013
33
6670643
CUP Was 3FM16 - A
34
6631743
PLUG Was 3FM00018B - B
35
3FM00012
Выбрано товаров: 0