Запчасти Bobcat 500s CAB ENCLOSURE ACCESSORIES & OPTIONS

Схема запчастей Bobcat 500s - CAB ENCLOSURE ACCESSORIES & OPTIONS
FIT
1:1
100%

Артикул

Название

Примечание

Количество

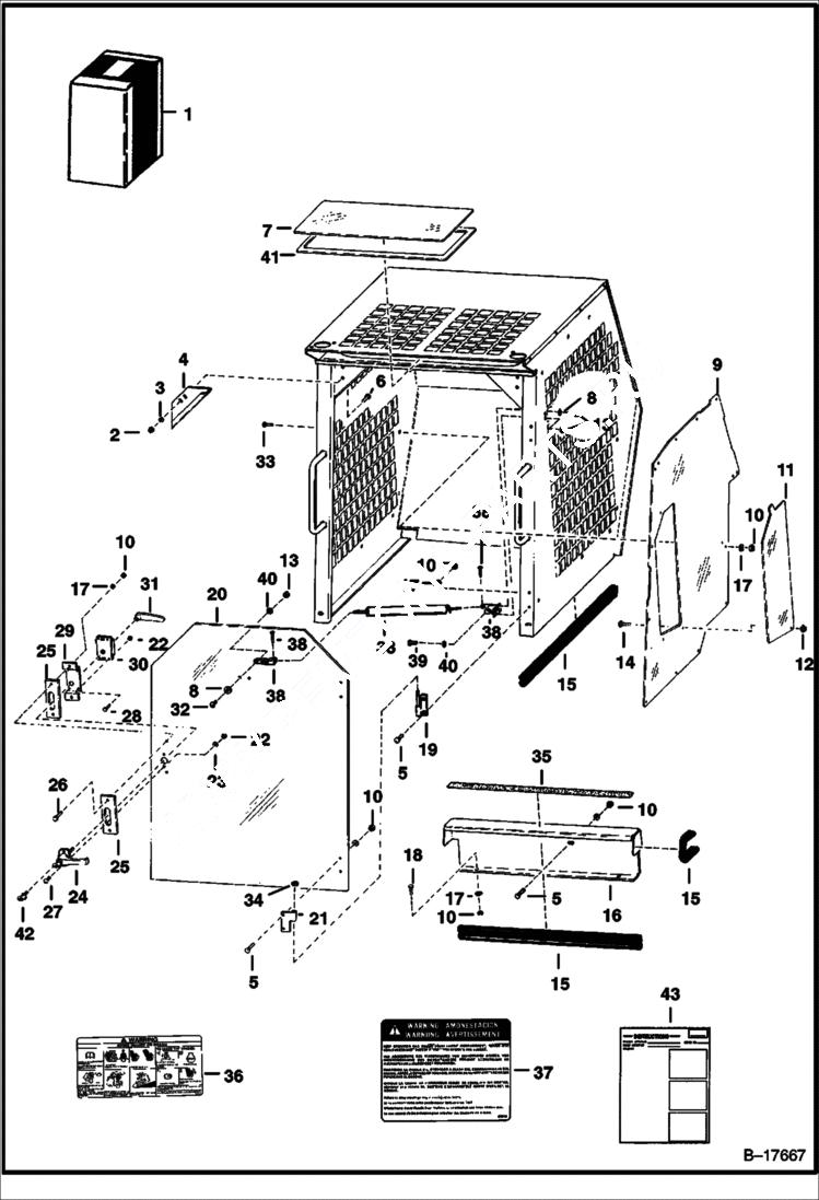
1

KIT NLA - cab enclosure - Order components - Ref. 2-43 - Was 6565757 - A

2

61D6

NUT 5

3

25E18

WASHER

4

6555434

CHANNEL

5

10C512

BOLT Was 6553808 - A

6

17C612

BOLT 5

7

6701986

WINDOW top - not Use W/Ref. 41 - Was 6563391 - A

7

6705735

WINDOW top - not Use W/Ref. 41 - Was 6563391

8

25E12

WSHR

9

6565755

WINDOW side

10

85D5

NUT 5

11

6555108

DOOR

12

CLAMP NLA - Was 6555869 - A

13

12D12

NUT

14

14G1008

SCREW

15

6555351

SEAL bulk - sold per foot

16

6563392

SHIELD

17

25E15

WASHER

18

17C512

BOLT 5

19

6565970

HINGE

20

6555062

DOOR

21

6555057

HINGE

22

12D10

NUT

23

25E10

WASHER

24

1550695

HANDLE outside (W/Key)

25

6555054

PLATE

26

17C516

BOLT

27

75G1016

BOLT

28

45G1008

BOLT

29

6555059

BRACKET

30

6598475

DOOR LATCH door

31

6515600

HANDLE

32

85G1212

BOLT

33

25G510

BOLT

34

85D4

NUT 5

35

6564833

SAFETY TREAD

36

6579510

DECAL Was 6575854 - B

37

6563410

DECAL

38

6564858

CLOSER door

39

85G1208

BOLT

40

12E12

WASHER

41

6664351

SEAL Use W/cab headliner & Ref. 7 (6705735 window)

41

6665012

SEAL Use W/O cab headliner & Ref. 7 (6705735 window)

42

6665409

KEY

43

6566606

INSTRUCTIONS

Выбрано товаров: 45