Запчасти Bobcat 500s HEATER KIT (Fresh Air) ACCESSORIES & OPTIONS

Схема запчастей Bobcat 500s - HEATER KIT (Fresh Air) ACCESSORIES & OPTIONS
FIT
1:1
100%

Артикул

Название

Примечание

Количество

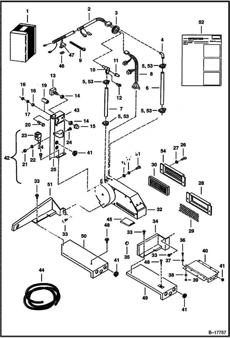
1

KIT NLA - Ref. 2-49 & 52 - Order 6713379 - Was 6709836 - A

1

6713379

KIT See Illustration HEATER PLUMBING KIT/ B17759 Ref. 2-18, 20-33, 36-39, 42-48 & 50-52 - For Heater Plumbing Kit

2

6660894

HARNESS W/Ref. 46 & 47

3

6512067

GROMMET

4

6660879

ELBOW

5

42H10

HOSECLAM5 Worm Gear

6

HOSE NLA - 17 in. (431,8 mm) Long - Order Ref. 44

7

HOSE NLA - 19 in. (482,6 mm) Long - Order Ref. 44

8

6660892

HARNESS

9

6660883

TIE

10

6654191

VALVE

11

6660881

KNOB Water Valve

12

6660884

SCREW

13

6660659

SWITCH Fan

14

6624435

NUT

14

6624435

NUT For 6713379 Heater Kit - Was 6670143 - A

15

6660822

KNOB

16

61D4

NUT 5

16

6670142

NUT For 6713379 Heater Kit

17

4E4

WASHER

18

25E14

WSHR

19

6660893

SPACER For NLA 6709836 Heater Kit

20

17C424

BOLT Use W/Ref.19

20

17C416

BOLT Ref 19 Use W/O

20

6670144

BOLT For 6713379 Heater Kit

21

6641065

NUT

22

6641072

WASHER

23

6651975

SWITCH Relay

24

6641066

SCREW

25

6660864

COVER W/O Vent Holes

25

6850026

COVER Also Order (2) Ref. 31

26

6660930

THUMBSCREW

27

25E10

WASHER

28

COVER NLA - Order Ref. 54 - Was 6660886 - A

29

SCREEN NLA - Order Ref. 54 - Was 6660891 - A

30

6660880

FILTER, AIR HEATER CAB

31

17C412

BOLT 5

32

HEATER See Illustration HEATER/ B17758

33

6705792

SCREW

34

6660888

VENT Side - Use W/ 2.32 in. (58,9 mm) Wide Heater Blower Housing - For NLA 6709836 Heater Kit

34

6708914

VENT Side - Use W/ 1.95 in. (49,5 mm) Wide Heater Blower Housing - For NLA 6709836 Heater Kit

35

6657719

PLUG 0.75'' dia hole

36

17C516

BOLT

37

25E16

WSHR

38

4E5

WASHER

39

61D5

NUT

40

DUCT NLA - Order Ref. 49 - for NLA 6709836 Heater Kit - Was 6708915 - A

41

6660885

LOUVER

42

6660890

COVER ASSY. Ref. 21-23, 25 & 43

43

6660865

DECAL Fan & Valve

44

889269

HOSE BULK/FT Bulk - Sold Per Foot

45

MOULDING NLA

46

6702444

FUSE 25A 5

47

6657306

CAP, FUSE

48

84G3120

SCREW

49

6711732

DUCT Under Seat - For NLA 6709836 Heater Kit

50

6669652

DUCT Under Seat - For 6713379 Heater Kit - Also Order (3) Ref. 41

51

6669650

VENT Side - For 6713379 Heater Kit

52

6724384

INSTRUCTIONS Was 6722058 - B

53

5HM24

CLAMP Constant Tension

54

6674151

COVER

Выбрано товаров: 61