Запчасти Bobcat 500s HEATER (Fresh Air) ACCESSORIES & OPTIONS

Схема запчастей Bobcat 500s - HEATER (Fresh Air) ACCESSORIES & OPTIONS
FIT
1:1
100%

Артикул

Название

Примечание

Количество

1

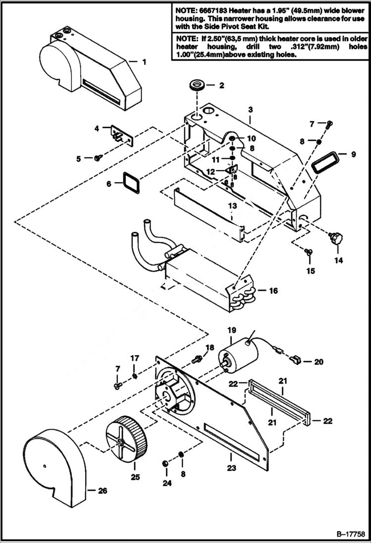
NLA - Ref. 2-26 - Order 6667183 Heater & 6708914 Vent - SEE NOTE - Was 6664414 - A

1

6667183

HEATER Ref. 2-26 - SEE NOTE

1

6669689

HEATER Ref. 2-26 - W/ Rear Hole In Blower Wheel Housing & 2.5 in. (63,5mm) Thick Heater Core

2

6641056

GROMMET

3

6660874

HOUSING heater

3

6664806

HOUSING heater - 18.3''(464,8 mm)long

4

6632584

RESISTOR

5

6705792

SCREW

6

6660656

DECAL wiring schematic

7

6641066

SCREW

8

6641072

WASHER

9

6660868

DECAL recirculation

10

6641065

NUT

11

25E10

WASHER

12

6660873

BRACKET door

13

6660872

DOOR

13

6664808

DOOR 10.5''(266,7 mm) long

14

6660869

KNOB

15

6648470

SCREW

16

CORE NLA - Order 6670140 Redrill Holes - Was 6660866 - A

16

6670140

CORE 2.5''(63,5 mm) thick

17

12E10

WASHER

18

6641062

SCREW

19

6660876

MOTOR, HEATER CAB

20

6660654

CONNECTOR

21

6660877

MOULDING

22

6660878

MOULDING

23

6660875

COVER

23

6664807

COVER 18.4''(467,4 mm) long - 1.40'' (35.6mm) wide

23

6667567

COVER 18.4''(467,4 mm) long - 1.125'' (28.6mm) wide

24

6641073

NUT

25

BLOWER NLA - 1.75 in. (44.4 mm) Wide - Order 6667565 - Was 6660867 - A

25

6667565

BLOWER 1.50''(38.1mm) wide

26

6660871

HOUSING blower - 2.32''(58.9mm) wide - for 6667183 Heater

26

6667566

HOUSING blower - 1.95''(49.5mm) wide - for 6667183 Heater

26

6850027

HOUSING blower - W/rear hole - for 6669689 Heater

Выбрано товаров: 36