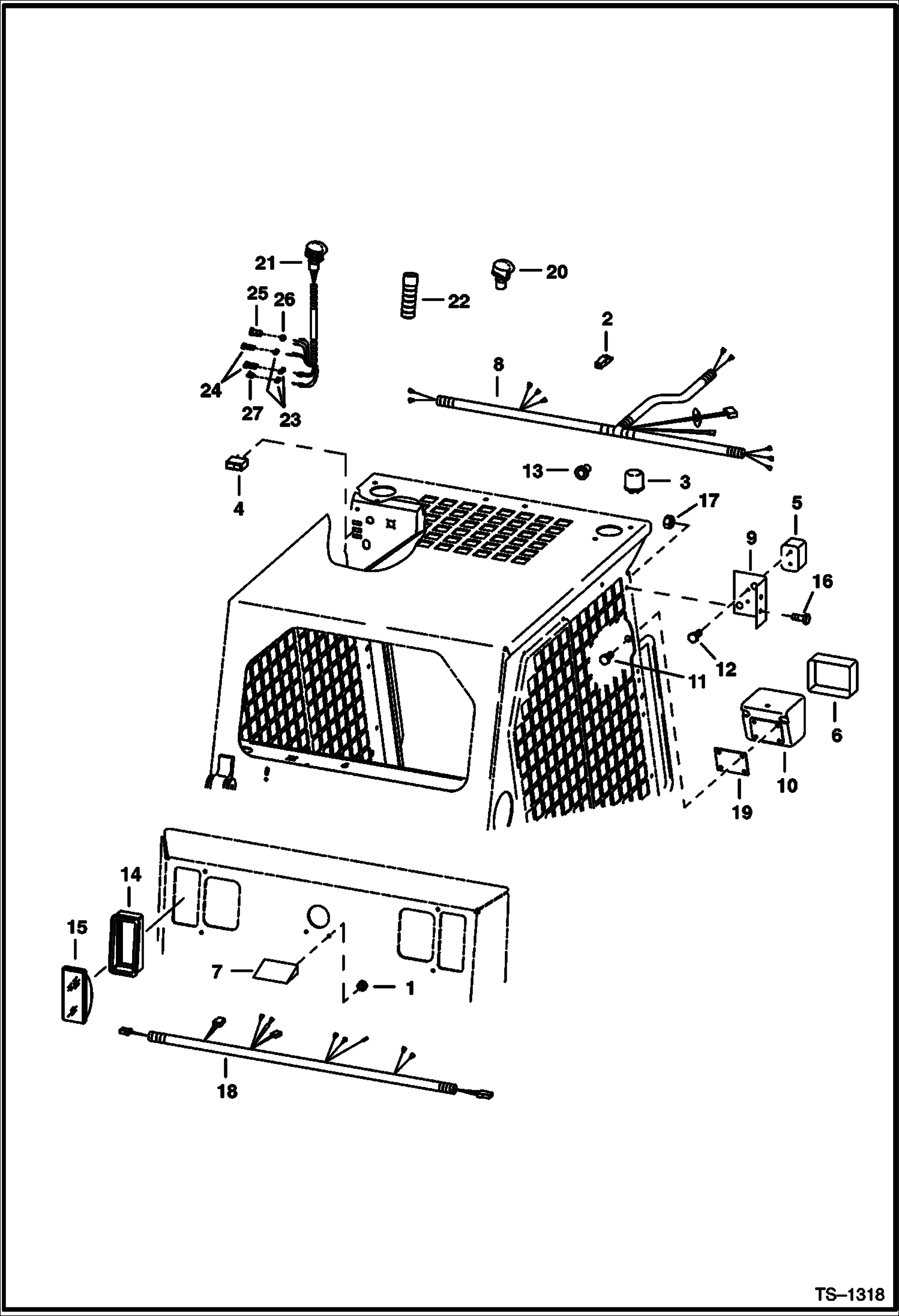
Запчасти Bobcat 500s EUROPEAN ACCESSORIES (Road Lights) ACCESSORIES & OPTIONS

Схема запчастей Bobcat 500s - EUROPEAN ACCESSORIES (Road Lights) ACCESSORIES & OPTIONS
FIT
1:1
100%

Артикул

Название

Примечание

Количество

1

1DM6

NUT

2

6519548

CONNECTOR

3

6557904

FLASHER

4

6665316

SWITCH hazard

5

6665727

LIGHT

5

6666567

BULB 5W

5

6666568

BULB 21W

5

6666563

LENS

6

6665728

LIGHT front

6

6666570

BULB 40W/45W

6

6666564

HOUSING

6

6666565

LENS

6

6666566

GASKET

7

6665729

LIGHT license plate

7

6666569

BULB 5W

8

6707672

HARNESS

9

6707706

MOUNT light

10

6707804

HOUSING light

11

17C508

BOLT

12

58G808

SCREW

13

6665757

LIGHT indicator

14

6705774

MOUNT light

15

6707789

LIGHT rear export

16

35C410

BOLT 5

17

83D4

NUT 10

18

6709048

HARNESS rear light

19

6708824

MOUNT

20

6680415

HANDLE LH blank - Was 6705920 - A

21

6680412

HANDLE ASSY L.H. - Also Order Ref. 23-27 - Was 6707976 - A

21

6640690

PIN

21

6640691

PIN

21

6641176

SEAL

21

6662257

PIN

21

6680447

DECAL Was 6677370 - A

22

6702621

GRIP

23

6641180

LOCK Use W/ 2-pin connector

23

6640700

LOCK 3-pin

24

6641179

CONNECTOR 2-pin

24

6640699

CONNECTOR 3-pin

25

6664599

CONNECTOR 3-pin triangle

26

6664800

LOCK 3-pin triangle

27

6641178

CONNECTOR 2-pin

Выбрано товаров: 42