Качественные детали и логистика
Оригинальные и аналоговые запчасти с доставкой по России, Казахстану и Беларуси
©2022 PartSell ООО "Система" ИНН 2463123282 ОГРН 1212400004838
Центральный офис: г. Красноярск, Академика Киренского, д.87, пом.4
Телефон: 8 (800) 777-65-74 Email: zakaz@partsell.ru
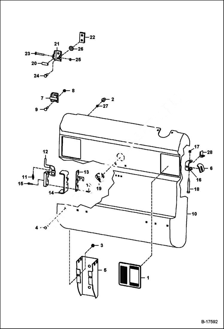
REAR DOOR (S/N 5163 13550 & Bel, 5164 15034 & Bel)
№
Артикул
Название
Примечание
Количество
1
6670287
COVER
2
BUMPER NLA - Order 6655399 - Also Order (2) 61D000005B nut - Was 6714454 - A
6655399
BUMPER
3
55D6
NUT
4
37C612
BOLT
5
6715318
TOOL HOLDER
6
6714126
DOOR STOP
7
6715157
STRIKER ASSY. Was 6579969 - B
8
57D8
NUT 10
9
37C820
BOLT carriage
BOLT NLA - hex socket - Was 25G000820B - A
10
REAR DOOR See BTI357 NLA - Was 6711524 - A
11
6714210
SPRING
12
6670867
LATCH, REAR DOOR
13
6711664
GUIDE, LATCH latch
14
6711527
LATCH PLATE weld-on - Was 6700279 - B
15
31C420
BOLT 5
16
6733575
HINGE, REAR DOOR weld on - Was 6711526 - A
17
59D6
18
6809845
BOLT Was 38C856 - B
19
6718796
PLUG
20
6719550
TUBE striker
21
6719524
STRIKER
22
6719525
BAR threaded striker
23
37C644
24
17C820
25
61D6
NUT 5
26
6675273
WASHER lock
27
61D5
28
6719766
STOP
Выбрано товаров: 0