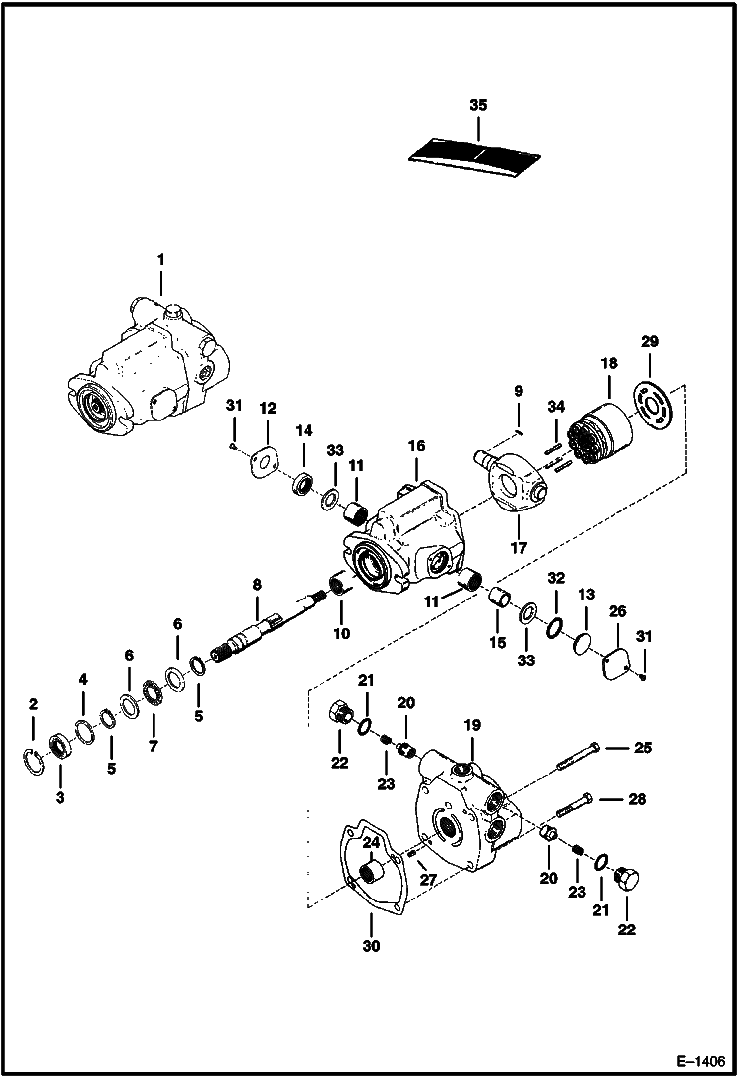
Запчасти Bobcat 500s HYDROSTATIC PUMP (Front) HYDROSTATIC SYSTEM

Схема запчастей Bobcat 500s - HYDROSTATIC PUMP (Front) HYDROSTATIC SYSTEM
FIT
1:1
100%

Артикул

Название

Примечание

Количество

1

6672702

PUMP

2

661415

SNAP RING

3

SEAL NSS

4

6598875

WASHER

5

710776

SNAP RING

6

6598878

RACE thrust

7

3292657

BEARING thrust

8

6672704

SHAFT

9

6630170

KEY

10

851239

BEARING

11

654387

BEARING

12

6598886

COVER

13

6648789

COVER

14

SEAL NSS

15

6598883

RACE

16

6667671

HOUSING W/Ref. 10

17

6598892

YOKE

18

6598893

GROUP rotating

19

6667670

PLATE W/Ref. 24

20

6664890

RELIEF VALVE

21

O-RING NSS

22

6513998

PLUG W/Ref. 21 & 23

23

6514010

SPRING

24

654386

BEARING

25

17C540

BOLT

26

6598887

COVER

27

214028

PIN

28

17C532

BOLT 5

29

6667668

PLATE valve wear

30

GASKET NSS

31

6598881

SCREW

32

O-RING NSS

33

6598876

WASHER

34

6654126

PIN

35

6598896

KIT, SEAL Ref. 2, 3, 5, 14, 21, 30 & 32

Выбрано товаров: 35