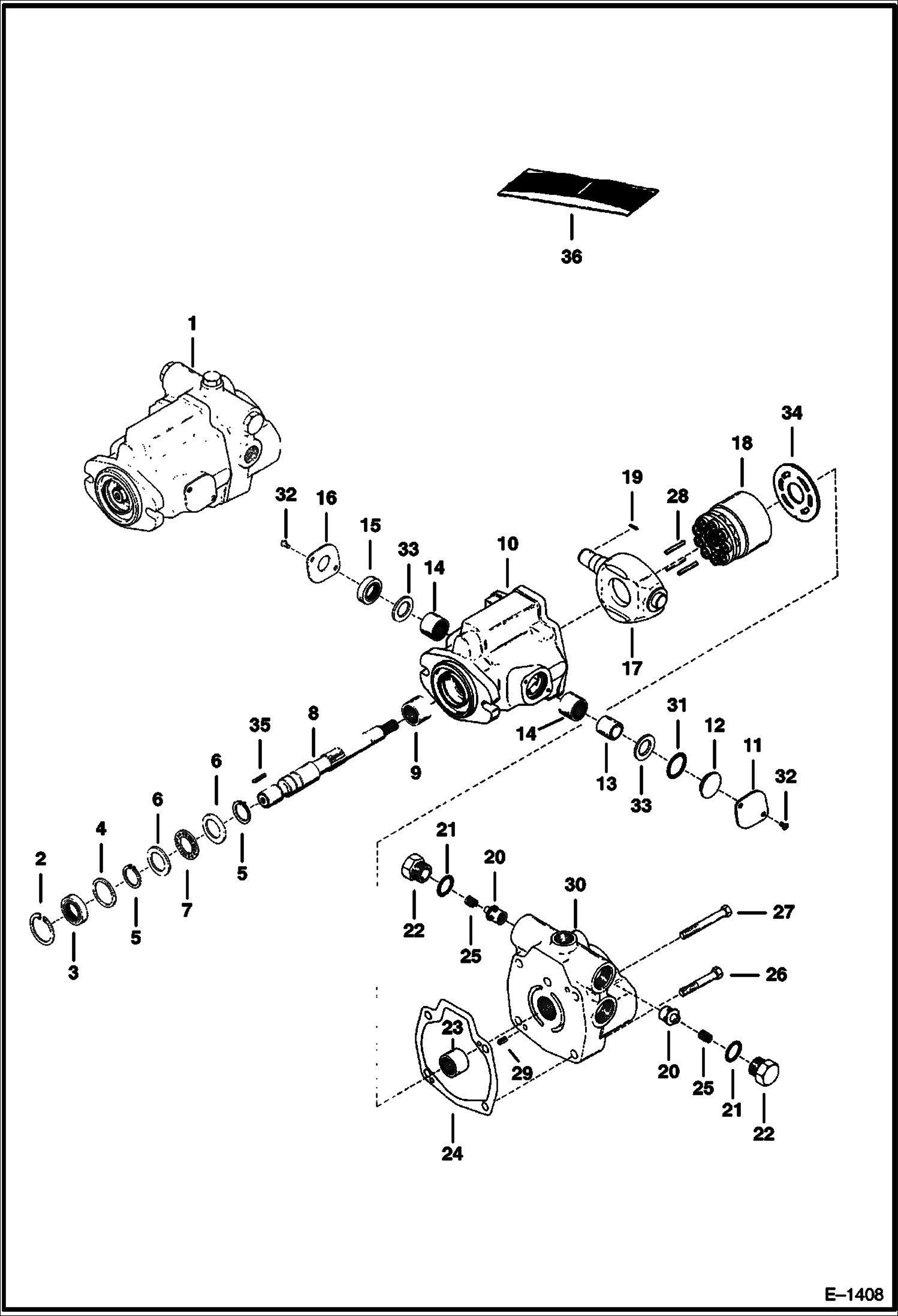
Запчасти Bobcat 500s HYDROSTATIC PUMP (Rear) HYDROSTATIC SYSTEM

Схема запчастей Bobcat 500s - HYDROSTATIC PUMP (Rear) HYDROSTATIC SYSTEM
FIT
1:1
100%

Артикул

Название

Примечание

Количество

1

6673975

PUMP Eaton 50145-REW-02 - W/tapered shaft to engine yoke

2

661415

SNAP RING

3

SEAL NSS

4

6598875

WASHER

5

710776

SNAP RING

6

6598878

RACE

7

3292657

BEARING thrust

8

6598894

SHAFT drive - tapered

9

851239

BEARING

10

6667673

HOUSING W/Ref. 9

11

6598887

COVER

12

6648789

COVER

13

6598883

RACE

14

654387

BEARING

15

SEAL NSS

16

6598886

COVER

17

6598892

YOKE

18

6598893

GROUP rotating

19

6630170

KEY

20

6664890

RELIEF VALVE

21

O-RING NSS

22

6513998

PLUG W/Ref. 21 & 25

23

654386

BEARING

24

GASKET NSS

25

6514010

SPRING

26

17C532

BOLT 5

27

17C540

BOLT

28

6654126

PIN

29

214028

PIN

30

6667670

PLATE W/Ref. 23

31

O-RING NSS

32

6598881

SCREW

33

6598876

WASHER

34

6667668

PLATE valve wear

35

6598880

KEY

36

6598896

KIT, SEAL Ref. 2, 3, 5, 15, 21, 24 & 31

Выбрано товаров: 36