Запчасти Bobcat 500s REAR WIPER KIT ACCESSORIES & OPTIONS

Схема запчастей Bobcat 500s - REAR WIPER KIT ACCESSORIES & OPTIONS
FIT
1:1
100%

Артикул

Название

Примечание

Количество

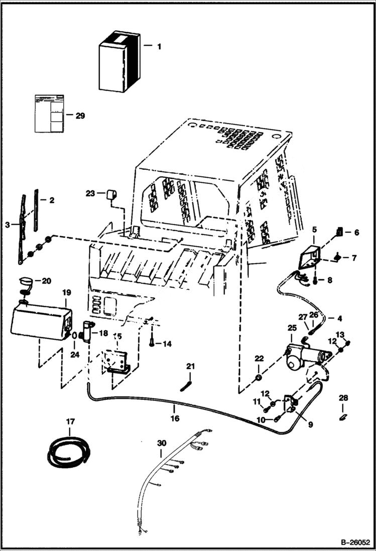
1

6711531

KIT Rear Wiper - Ref. 2-29

2

6665688

BLADE

3

6665687

ARM

4

HARNESS NLA - W/2 pin connector - Order 6712260 Harness, Ref. 26 & 27

4

6712260

HARNESS W/10 pin connector - W/2 Diodes

5

6708280

MOUNT switch

6

6668817

SWITCH rocker

7

7160765

NUT Was 6660988 - A

8

35C412

BOLT

9

6708286

MOUNT nozzle

10

6666767

NOZZLE Was 6664555 - A

11

17C514

BOLT

12

25E15

WASHER

13

83D5

NUT 5

14

84G3710

SCREW

15

6708614

MOUNT tank

16

HOSE NLA - 84'' (2133.6 mm) - Order Ref. 17

17

6708310

HOSE, BULK/FT 100 clear - 0.154'' ID - sold per foot

18

6664554

PUMP, WIPER WASHER

19

6691499

TANK ASSY W/Ref. 18 - Was 6708035 - B

19

6664557

BRACKET

20

6665605

CAP

21

6610510

TIE

22

6708069

BUSHING

23

6708272

STOP cab

24

6666766

GROMMET not in kit

25

6665602

MOTOR

26

6641179

CONNECTOR 2-pin

27

6641180

LOCK Use W/ 2-pin connector

28

6669308

RETAINER

29

6724788

INSTRUCTIONS

30

6710481

HARNESS

Выбрано товаров: 32