Запчасти Bobcat 500s MAIN FRAME MAIN FRAME

Схема запчастей Bobcat 500s - MAIN FRAME MAIN FRAME
FIT
1:1
100%

Артикул

Название

Примечание

Количество

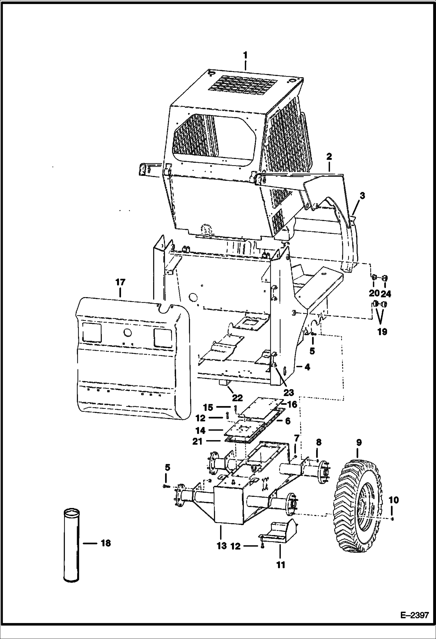
1

OPERATOR CAB See Illustration OPERATOR CAB/ TS1064R

2

LIFT ARM See Illustration LIFT ARM & BOB-TACH/ MS1358

3

BOB-TACH See Illustration BOB-TACH/ TS1549

4

6714894

MAIN FRAME

4

7115007

MAIN FRAME

5

31C820

BOLT

6

6703097

GASKET, TRANS COVER

7

40K12

PLUG

8

83D8

NUT 5

9

TIRE & RIM See Illustration TIRES & RIMS/ C1000

10

6564669

NUT, 10 wheel - 9/16''

11

6564918

COVER

12

84G3716

SCREW 5

13

CHAINCASE See Illustration DRIVE TRAIN/ B17076

14

COVER See Illustration DISC BRAKE/ MS1359

15

84G3712

BOLT 5

16

COVER See Illustration DISC BRAKE/ MS1359

17

REAR DOOR See Illustration REAR DOOR/ PE2786

18

6632501

SEALANT chaincase covers

19

6555987

BUSHING weld on

20

6555989

BUSHING Weld On

21

6706968

GASKET

22

6706485

HOOK tie down - weld-on

23

6708987

HINGE, WELD-ON

24

6702584

BUSHING, WELD-ON weld on

Выбрано товаров: 25