Запчасти Bobcat 500s AXLE DRIVE TRAIN

Схема запчастей Bobcat 500s - AXLE DRIVE TRAIN
FIT
1:1
100%

Артикул

Название

Примечание

Количество

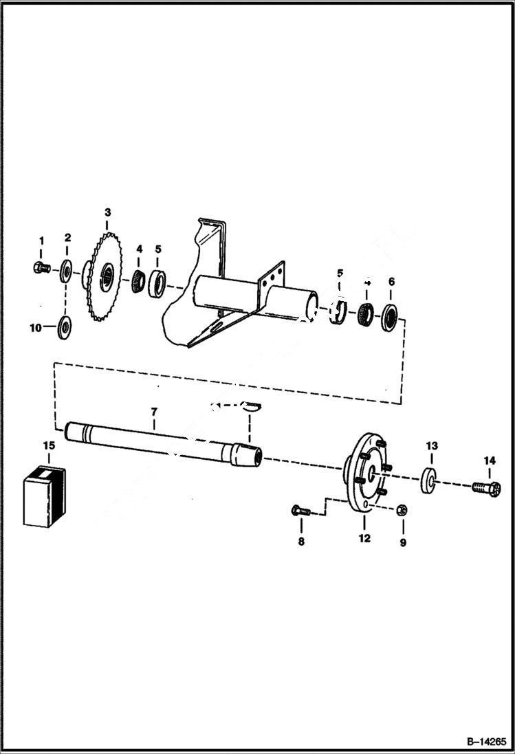
1

48C1228

BOLT Was 6679247 - B

2

6552871

WASHER

3

6548891

SPROCKET

4

3974866

BEARING, AXLE W/Ref. 5

5

RACE NSS - Order Ref. 4

6

6660126

SEAL

7

6706039

AXLE ASSY.

8

6709170

BOLT, WHEEL 9/16''

9

6564669

NUT, 10 9/16''

10

6563606

WASHER recessed - Use to Take Up .005 or .010 End Play on Axle

10

6568835

WASHER recessed - Use to Take Up .020 End Play of Axle

11

6J1664

KEY

12

6706038

HUB W/Ref. 8 - 9/16'' Studs

13

6716843

WASHER

14

18C1636

BOLT Torque to 575-625 Ft-lbs

15

6568974

KIT See Illustration AXLE SEAL KIT/ B4041 AXLE SEAL

Выбрано товаров: 16