Качественные детали и логистика
Оригинальные и аналоговые запчасти с доставкой по России, Казахстану и Беларуси
©2022 PartSell ООО "Система" ИНН 2463123282 ОГРН 1212400004838
Центральный офис: г. Красноярск, Академика Киренского, д.87, пом.4
Телефон: 8 (800) 777-65-74 Email: zakaz@partsell.ru
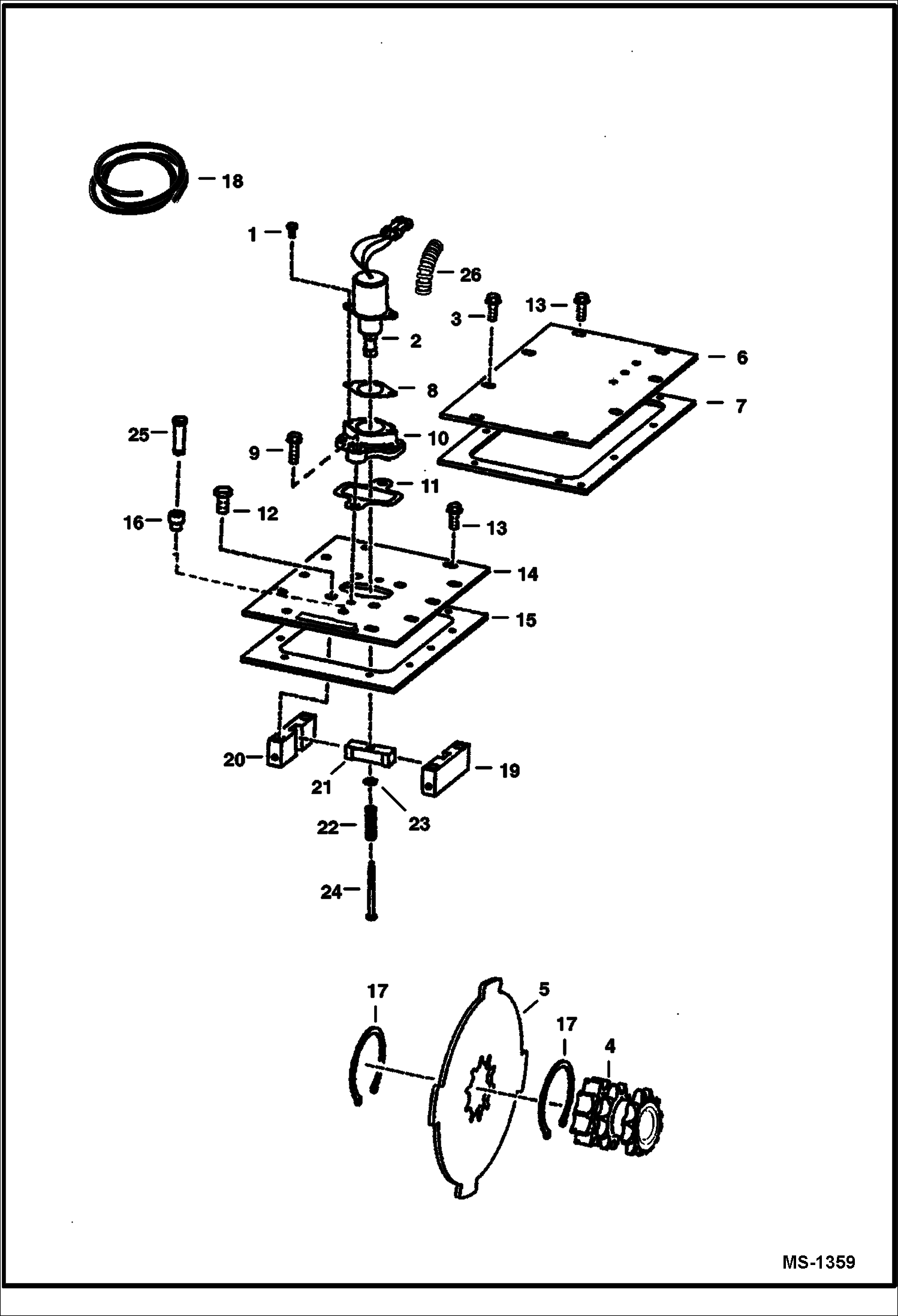
DISC BRAKE
№
Артикул
Название
Примечание
Количество
1
17C412
BOLT 5
2
6681512
SOLENOID W/Ref. 26 - Was 6667992 - A
3
84G3712
4
6714469
SPROCKET See Illustration DRIVE TRAIN/ B17076
5
6706736
BRAKE disc
6
6729173
COVER
7
6703097
GASKET, TRANS COVER
8
6706737
GASKET
9
84G3720
BOLT
10
6706718
MOUNT
11
6708016
12
47C820
13
84G3716
SCREW 5
14
6717178
15
6706968
16
6553411
BUSHING
17
791442
SNAP RING
18
6584978
CONDUIT bulk - sold per foot
19
6719057
BLOCK guide - RH
20
6719056
BLOCK guide - LH
21
6705896
GUIDE
22
6708018
SPRING
23
25E13
WASHER 5
24
6708267
25
6680970
BREATHER Was 6670627 - A
26
CONDUIT NLA - 5''(127 mm) long - Order Ref. 18
Выбрано товаров: 0