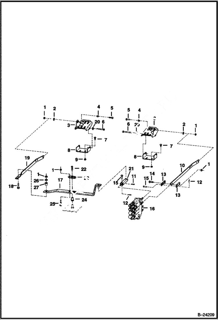
Запчасти Bobcat 500s CONTROL PEDALS HYDRAULIC SYSTEM

Схема запчастей Bobcat 500s - CONTROL PEDALS HYDRAULIC SYSTEM
FIT
1:1
100%

Артикул

Название

Примечание

Количество

1

85D6

NUT, 5 Was 95D000006B - B

2

6563914

WASHER

3

7115219

PEDAL Was 6726680 - A

4

6665701

BUSHING, PRESS FIT

5

17C624

BOLT 5

6

6564657

PIN

7

7C620

BOLT

8

6726679

MOUNT

9

57D6

NUT 5

10

6564652

BAR

11

1306637

CLIP

12

6513495

COTTER PIN

13

6706680

LINK

14

17C620

BOLT

15

PIN NLA - Was 6564654 - A

16

VALVE See Illustration HYDRAULIC CONTROL VALVE/ B17079

17

6708193

LEVER

18

17C628

BOLT

19

6564653

BAR

20

25E21

WASHER 5 Use if serrations on pins are too long

21

6706105

YOKE

22

6665839

BOLT

23

6708043

BUSHING

24

6512026

BUSHING

25

37C616

BOLT

26

6563914

WASHER 1.00'' O.D.

26

619021

WASHER, 5 0.13'' thick - 32 mm (1.25'') OD

27

6665701

BUSHING, PRESS FIT 0.885'' O.D.

27

6685060

BUSHING, TORSION torsion - 26,8 mm (1.055'') OD

Выбрано товаров: 29