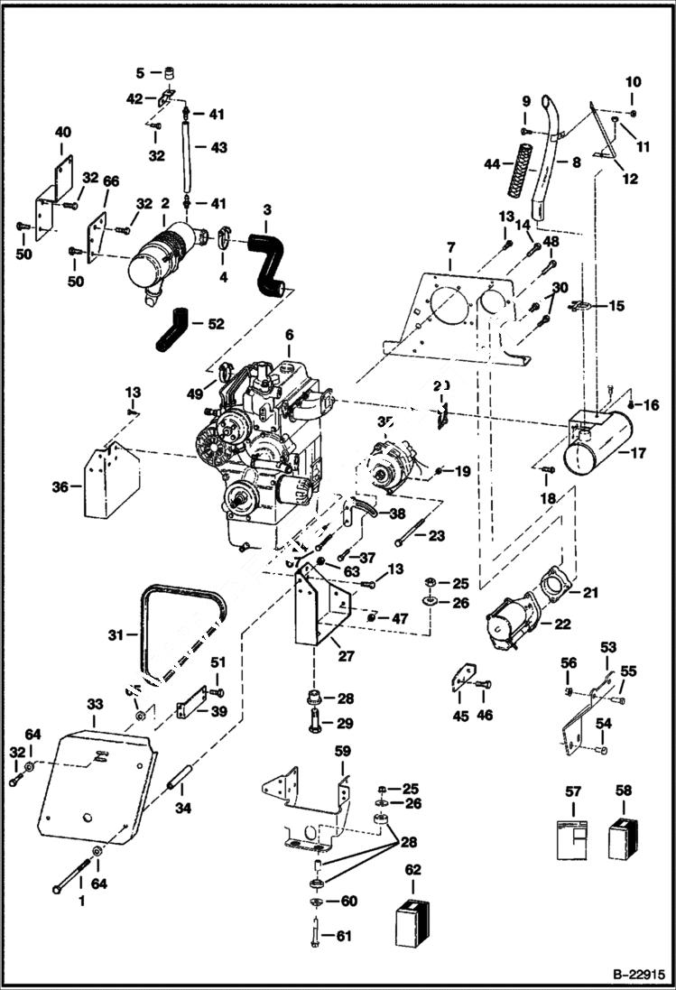
Запчасти Bobcat 500s ENGINE & ATTACHING PARTS POWER UNIT

Схема запчастей Bobcat 500s - ENGINE & ATTACHING PARTS POWER UNIT
FIT
1:1
100%

Артикул

Название

Примечание

Количество

1

17C6104

BOLT

2

AIR CLEANER See Illustration AIR CLEANER/ C3490

3

6714055

HOSE

4

42HL300

CLAMP

5

6515007

GAUGE

6

ENGINE See Illustration ENGINE/ B17086 See Illustration ENGINE/ B17086A

7

6734407

MOUNT Was 6713987 - A

8

6676236

PIPE exhaust

8

7113134

PIPE exhaust

9

31C516

BOLT Was 31C000512B - B

10

83D5

NUT 5

11

85D5

NUT 5

12

6715921

BRACE

12

7113126

BRACE

13

6733378

SCREW

14

17C644

BOLT

15

710706

CLAMP

16

17C516

BOLT Was 17C000512B - B

17

6680166

MUFFLER

17

6672536

MUFFLER purifier - Was 6667620 - B

18

6701123

SCREW

19

83D6

NUT 5

19

53DM8

NUT

20

6575580

GASKET muffler

21

6562198

SPACER

22

STARTER See Illustration STARTER/ D2396

23

17C652

BOLT

23

1CM8110

HEX CAP S

24

4CM615

BOLT Was 4CM00616B - A

25

83D8

NUT 5 Was 61D000008B - B

26

6515817

WASHER

27

6713988

MOUNT

28

6677919

MOUNT rubber

29

35C840

BOLT

30

17C616

BOLT 5

31

6715547

BELT alternator

31

6571857

BELT, ALT alternator

32

84G3716

SCREW 5 Was 84G3712 - B

33

6714602

SHIELD

33

7112876

SHIELD

34

6731844

TUBE

35

ALTERNATOR See Illustration ALTERNATOR/ C3456

36

6714035

MOUNT

37

29CM820

SCREW

38

6672481

BRACKET

38

6730867

BRACKET

39

6731843

BRACKET

40

6714054

MOUNT

41

6505813

CONNECTOR

42

6704823

BRACKET

43

6557720

HOSE 18''(457mm) long - sold per ft.

44

6716088

HEAT SHIELD

45

6715743

BRACKET starter

46

6719825

BOLT

47

61D6

NUT 5

48

17C652

BOLT

49

42HL250

CLAMP

50

55CM816

BOLT

51

1CM825

BOLT

52

6731715

HOSE air inlet

53

6733837

SUPPORT muffler

54

6733378

SCREW

55

17C616

BOLT 5

56

83D6

NUT 5

57

6902025

INSTRUCTIONS

58

6733876

KIT muffler support - W/Ref. 53 - 57

59

6734408

MOUNT

60

6734779

SPACER

61

31C856

BOLT

62

6734426

MOUNT KIT See Illustration ENGINE MOUNT KIT/ B22917 W/REF. 7, 59 & HARDWARE

63

95D6

NUT

64

619021

WASHER, 5 Was 25E000017B - B

65

6557831

WASHER

66

7112875

MOUNT air filter

67

1CM660

BOLT

Выбрано товаров: 0