Запчасти Bobcat 500s ENGINE & ATTACHING PARTS SN Prefix 5203, 5204, 5280, 5281 & 5391 11001-11999, 5394 11001-11999 POWER UNIT

Схема запчастей Bobcat 500s - ENGINE & ATTACHING PARTS SN Prefix 5203, 5204, 5280, 5281 & 5391 11001-11999, 5394 11001-11999 POWER UNIT
FIT
1:1
100%

Артикул

Название

Примечание

Количество

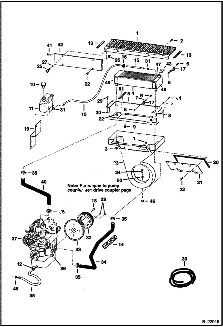
1

7118025

SCREEN Was 6714663 - A

2

84G3716

SCREW 5

3

1323182

NUT

4

7009566

EXCHANGER, WATER RADIATOR Was 6678820 - A

4

6682276

GASKET between core and tanks

5

6731063

MOUNT

6

37C516

BOLT

7

774220

NUT

8

83D5

NUT 5

9

35C510

BOLT

10

6702797

CAP

11

6576660

TANK, WATER COOLANT W/bottom molded barbed elbow

12

5HM20

CLAMP

13

SEAL NLA - 11.40'' (290 mm) long. - Order Ref. 39

14

6715561

HEAT SHIELD

15

6577822

HOSE bulk - sold per foot

16

1303932

GROMMET

17

30H34

CLAMP

18

6661636

BOLT flywheel to crankshaft

19

6714054

MOUNT

20

6564969

STRIP foam

21

6715182

COVER

22

35C512

BOLT

23

6578684

HOUSING, BLOWER

24

35C620

BOLT 5

25

6678755

KNOB

26

6678785

NUT retaining

27

25E15

WASHER

28

45C616

BOLT Was 43C000616B - B

29

35C614

BOLT

30

83D6

NUT 5

31

42HS04

CLAMP, HOSE

32

6578682

BLOWER WHEEL

33

6737178

FLYWHEEL W/ring gear - used with Tier I engine - Was 6714076 - A

33

7102852

FLYWHEEL W/ring gear - used with Tier II engine

33

6510470

RING GEAR

34

6714059

HOSE

35

5HM35

HOSECLAMP

36

OIL FILTER See Illustration GEAR CASE/ B17088

37

ENGINE See Illustration ENGINE/ B17086 See Illustration ENGINE/ B17086A

38

6715530

HOSE drain

39

6654139

MOULDING bulk - sold per foot - Was 6512686 - A

40

6714058

HOSE

41

84G3112

BOLT 5

42

6714976

COVER

43

6682274

CAP 14 psi - for exchanger W/ 30,23 mm (1.19'') dia cap hole - Was 6646678 - B

43

7028463

CAP, RADIATOR for exchanger W/ 41,28 mm (1.63'') dia cap hole

44

10C512

BOLT

45

36K6

CAP

46

59D6

NUT

47

6682275

TUBE overflow

48

6682277

TANK END plastic - fill side

49

6682278

TANK END plastic

50

6563914

WASHER

51

6733961

SEAL

Выбрано товаров: 0