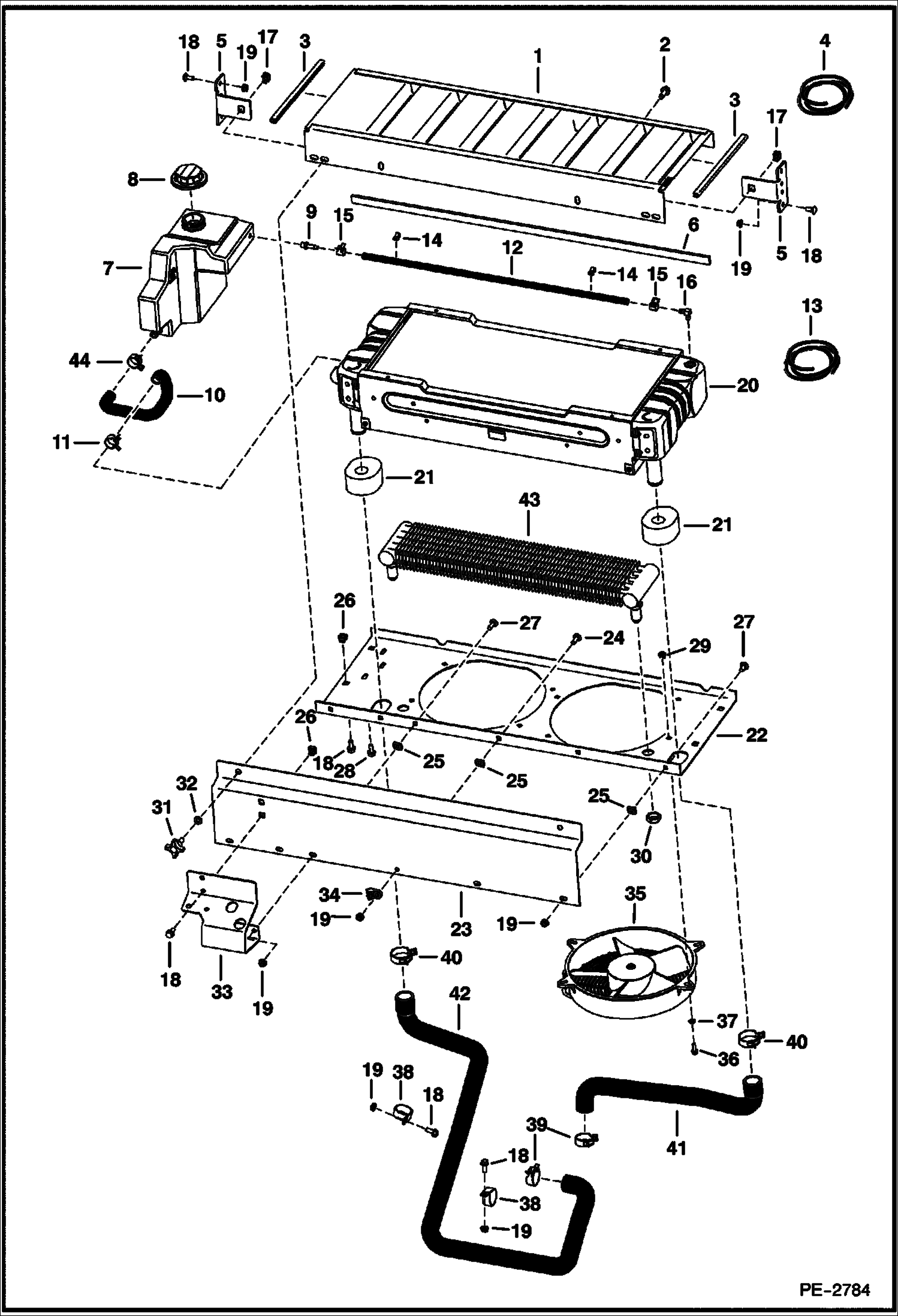
Запчасти Bobcat 500s ENGINE & ATTACHING PARTS 5391 12001 & Abv, 5394 12001 & Abv POWER UNIT

Схема запчастей Bobcat 500s - ENGINE & ATTACHING PARTS 5391 12001 & Abv, 5394 12001 & Abv POWER UNIT
FIT
1:1
100%

Артикул

Название

Примечание

Количество

1

7118025

SCREEN

2

84G3716

SCREW 5

3

SEAL NSS - 11.40'' long - order 1 ft. of Ref 4

4

6654139

MOULDING bulk - sold per foot

5

7114291

BRACKET

6

7112926

SEAL

7

7112775

TANK

8

6733429

CAP

9

6734236

ADAPTER

10

7112777

HOSE, RECOVERY

11

5HM24

CLAMP

12

HOSE NLA - fuel - 32.00'' long - order 3 ft of Ref. 13

13

6577822

HOSE bulk - sold per foot

14

6624289

STRAP, TIE

15

5HM14

CLAMP

16

6657376

ELBOW

17

6678785

NUT

18

35C512

BOLT

19

57D5

NUT

20

6736362

EXCHANGER, WATER RADIATOR

21

6736378

SPACER

22

7113011

MOUNT

23

7113012

COVER

24

37C516

BOLT

25

774220

NUT

26

6678765

NUT

27

37C512

BOLT

28

59CM816

BOLT

29

6678766

NUT

30

86F7

LOCK NUT

31

6678755

KNOB

32

25E15

WASHER

33

7112913

MOUNT

34

6678667

MOUNT

35

6688592

FAN

36

25G412

CAPSCRW10 Was 6733377 - B

37

25E11

WASHER

38

30H59

CLAMP

39

5HM35

HOSECLAMP

40

5HM42

HOSECLAMP

41

7112887

HOSE, COOLANT

42

7112888

HOSE, COOLANT

43

7112770

OIL COOLER

44

5HM26

CLAMP

Выбрано товаров: 44