Качественные детали и логистика
Оригинальные и аналоговые запчасти с доставкой по России, Казахстану и Беларуси
©2022 PartSell ООО "Система" ИНН 2463123282 ОГРН 1212400004838
Центральный офис: г. Красноярск, Академика Киренского, д.87, пом.4
Телефон: 8 (800) 777-65-74 Email: zakaz@partsell.ru
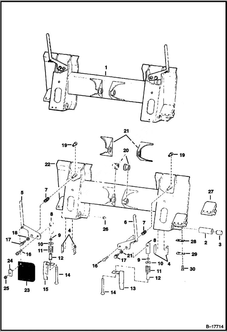
BOB-TACH
№
Артикул
Название
Примечание
Количество
1
6706143
BOBTACH-553 See Illustration DECALS/ B17755 DECALS - REF. 2-30 - ALSO ORDER 6561383 - WAS 6709762 - B
2
6565326
BUSHING Weld On - W/Ref. 3
3
6589665
BUSHING
4
6562026
INSERT
5
6563106
LEVER L.H. - Was 6579698 - A
6
6563107
LEVER RH - 6579697 - A
7
6704453
SPRING
8
6565186
BLOCK, BOB-TACH WEDGE
9
7D8
NUT 5
10
25E21
WASHER 5
11
6578253
SPRING, COMPRESSION Was 6562018 - A
12
6562019
GUIDE
13
6565189
WEDGE RH
14
17C884
BOLT
15
6565190
WEDGE LH
16
38C810
17
35C610
BOLT 5
18
619021
WASHER, 5
19
6553843
STUD
20
6562642
BUSHING, WELD-ON Weld On
21
BRACE NLA - Weld On - Was 6559609 - A
22
FRAME NLA - Order Ref. 1
23
6563103
COVER rubber
24
6563108
ANGLE
25
85D6
NUT, 5
26
743332
FITTING, GREASE 5
27
6704600
STOP RH - weld on - shown
6704601
STOP LH - weld on - not shown
28
6579106
SHIM
29
6579104
30
9G620
Выбрано товаров: 0