Запчасти Bobcat 500s GEAR CASE Kubota D1105 Tier II - S/N 5280, 5281, 5391 & 5394 (1st 4 Digits) POWER UNIT

Схема запчастей Bobcat 500s - GEAR CASE Kubota D1105 Tier II - S/N 5280, 5281, 5391 & 5394 (1st 4 Digits) POWER UNIT
FIT
1:1
100%

Артикул

Название

Примечание

Количество

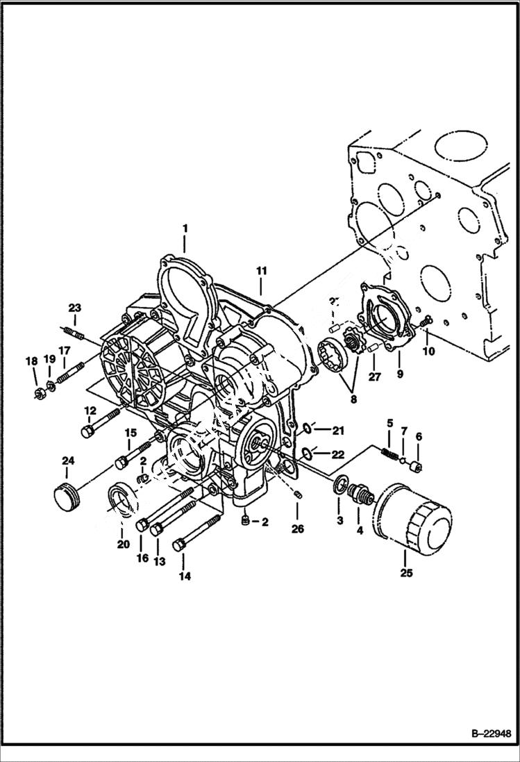
1

6680261

GEARCASE ASSY W/Ref. 2-10

1

6691298

CASE W/Ref. 2-10

2

6672360

PLUG

3

15EM180

WASHER

4

3974114

JOINT

5

6657554

SPRING

6

6657553

SEAT

7

6657426

BALL

8

6657549

ROTOR ASSY oil pump

9

6686173

COVER oil pump

10

6680262

BOLT

11

6657479

GASKET gearcase - this gasket does not require Ref. 21 & 22 o-rings - Was 6672362 - A

12

6657412

BOLT

13

6670770

BOLT

14

6657413

BOLT

15

6652594

BOLT

16

6657589

BOLT

17

6680263

STUD

18

1DM6

NUT

19

6667419

WASHER

20

6657603

SEAL

21

6598097

O-RING

22

3966515

O RING

23

6680264

STUD

24

6672363

COVER

25

6657635

FILTER, OIL ENG

26

6652574

PLUG

27

6686174

PIN

Выбрано товаров: 0