Качественные детали и логистика
Оригинальные и аналоговые запчасти с доставкой по России, Казахстану и Беларуси
©2022 PartSell ООО "Система" ИНН 2463123282 ОГРН 1212400004838
Центральный офис: г. Красноярск, Академика Киренского, д.87, пом.4
Телефон: 8 (800) 777-65-74 Email: zakaz@partsell.ru
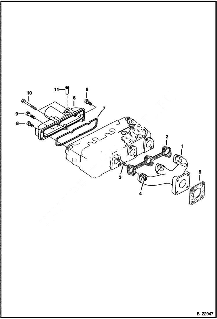
INTAKE & EXHAUST MANIFOLDS Kubota D1105 Tier II - S/N 5280, 5281, 5391 & 5394 (1st 4 Digits)
№
Артикул
Название
Примечание
Количество
1
6680285
MANIFOLD Exhaust
2
6672441
GASKET
3
6657590
STUD
4
6657591
NUT
5
6575580
GASKET muffler
6
6686187
MANIFOLD Intake - W/Ref. 7 & 11
7
6672443
8
6652580
BOLT
9
4CM630
10
6670770
11
6680689
ADAPTER Was 6657490 - A
Выбрано товаров: 0