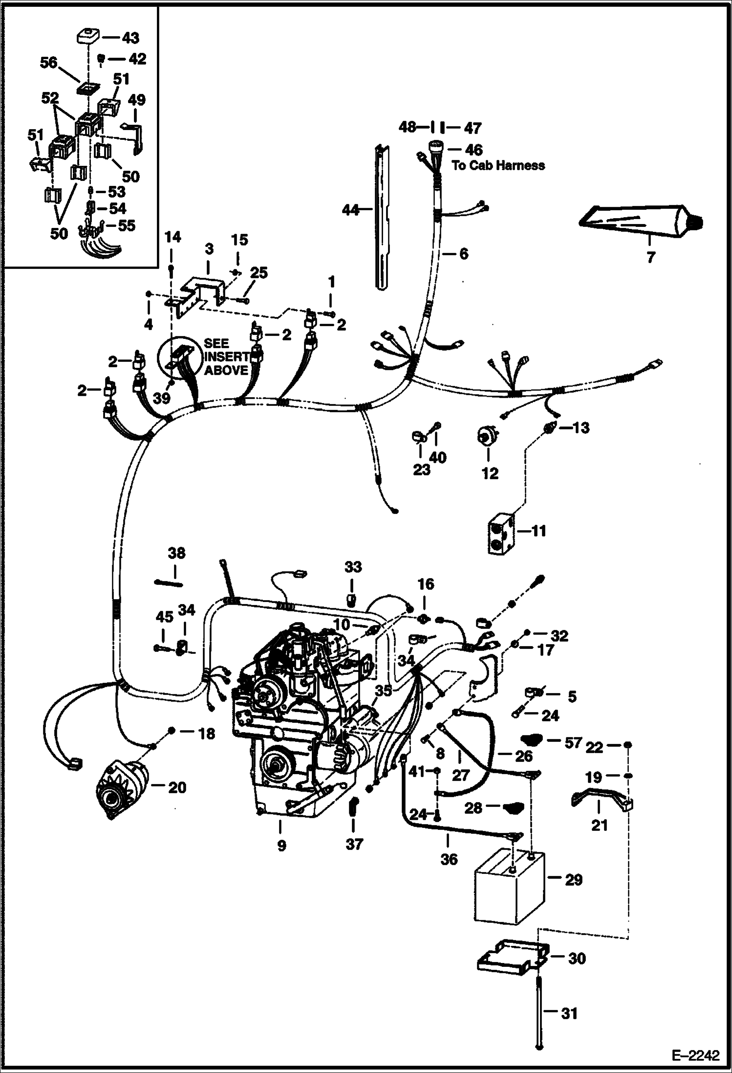
Запчасти Bobcat 500s ENGINE ELECTRICAL SYSTEM ELECTRICAL SYSTEM

Схема запчастей Bobcat 500s - ENGINE ELECTRICAL SYSTEM ELECTRICAL SYSTEM
FIT
1:1
100%

Артикул

Название

Примечание

Количество

1

17C412

BOLT 5

2

6670312

SWITCH, MAGNETIC relay - Was 6665005 - A

3

6708475

BRACKET

4

85D4

NUT 5

5

30H42

CLAMP

6

6708060

HARNESS

6

6710496

HARNESS

7

6599360

SEALANT, ELEC .3 OZ electrical - tube - 3 oz

8

17C616

BOLT 5

9

ENGINE See Illustration ENGINE & GASKET KITS/ B17830

10

6658818

SENDER eng temp - threaded connector

11

6565550

PORT BLOCK

12

6671062

SWITCH Hydrostatic Pressure - Was 6664577 - A

13

6632633

SWITCH hyd temp

14

45G1212

BOLT

15

85D5

NUT 5

16

6969775

SWITCH, OIL PRESSURE Engine Oil Pressure - Was 6652576 - A

17

6E6

WASHER

18

1DM6

NUT Use W/Delco Alternator - Was 4DM6 - A

19

25E15

WASHER

20

ALTERNATOR See Illustration ALTERNATOR/ C3312

21

6569203

CLAMP

22

61D5

NUT

23

31H38

CLAMP

24

84G3112

BOLT 5

25

17C512

BOLT 5

26

6563025

CABLE

27

6562905

CABLE W/Ref. 57

28

2356058

BOOT

29

6674687

BATTERY, DRY 600 AMP Was 6669318 - B

29

6630154

CAP Gang - Danger

29

6630155

CAP Gang - Poison

29

CAP NLA - Gang - Tilt Tite - Was 6514898 - A

30

6558826

MOUNT

31

6569623

BOLT

32

61D6

NUT 5

33

30H56

CLIP

34

30H49

CLAMP

35

STARTER See Illustration STARTER (SEALED)/ B17654 See Illustration STARTER/ B1192

36

6557450

CABLE

37

6560172

COVER

38

6610510

TIE

39

50D12

NUT

40

84G3708

SCREW

41

57D5

NUT

42

6707620

FUSE, 10A MINI 5

42

6707621

FUSE, 15A MINI 5

42

6707623

FUSE, 25A MINI 5

42

6674099

BREAKER, 25A

43

6665358

COVER , FUSE

44

6708479

SHIELD

45

1CM820

BOLT

46

6664585

CONNECTOR Was 6665682 - A

47

6664041

SOCKET

48

6664828

SOCKET

49

6708437

CLIP

50

6665411

WEDGE Red

51

6665909

MOUNT

52

6665356

BLOCK Fuse - W/Ref. 56

53

6650107

SEAL

54

PIN NLA - Female - Order 6668719 Pin For 16 Guage Wire - Order 6668720 For 14 Guage Wire - Was 6648311 - A

55

6665357

LOCK Yellow

56

6671528

SEAL Green Square - Was 6671156 - B

57

6599652

BOOT

Выбрано товаров: 64