Запчасти Bobcat 600s IGNITION COIL, CABLES & DISTRIBUTOR DRIVE POWER UNIT

Схема запчастей Bobcat 600s - IGNITION COIL, CABLES & DISTRIBUTOR DRIVE POWER UNIT
FIT
1:1
100%

Артикул

Название

Примечание

Количество

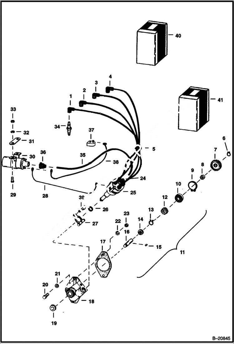
1

CABLE NSS - #1 spark plug - Order Ref. 40

2

CABLE NSS - #2 spark plug - Order Ref. 40

3

CABLE NSS - #3 spark plug - Order Ref. 40

4

CABLE NSS - #4 spark plug - Order Ref. 40

5

6516540

GROMMET rubber

6

6516569

RING retainer

7

6516571

GEAR drive

8

SPACER NLA - drive gear - Was 6516572 - A

9

6516573

RETAINER snap ring

10

6516568

BEARING

11

6516570

SHAFT ASSY. Ref. 6, 10, 12-14 & 16

12

GEAR NSS

13

RING NSS

14

6516564

BEARING

15

5J605

KEY woodruff

16

6516563

SHAFT drive - Not drilled for gear Ref. 12

17

6516574

GASKET

18

6516561

HOUSING drive - W/Ref. 19 & 26

19

6516559

SEAL oil

20

17C632

BOLT 5

21

25E17

WASHER 5

22

4E6

WASHER

23

61D6

NUT 5

24

6516552

CAP rubber

25

DISTRIBUTOR See Illustration DISTRIBUTOR/ B1207

26

6516560

O-RING

27

6516556

ARM advance

28

6516553

WIRE ignition

29

17C512

BOLT 5

30

887408

IGN COIL ignition

31

STRAP NLA

32

4E5

WASHER

33

61D5

NUT

34

890272

SPARK PLUG-4 spark

34

6516546

PLUG spark - VF4D LPG Only

35

6516550

CABLE coil

36

6516549

CAP

37

6517513

KIT safety switch

38

WIRE NSS - jumper

39

47G408

SCREW

40

6516557

CABLE cable set - Ref. 1-4 & 35

41

DRIVE NLA - accessory assy - Ref. 6-19 - Was 6516558

41

6558832

KIT ignition

Выбрано товаров: 43