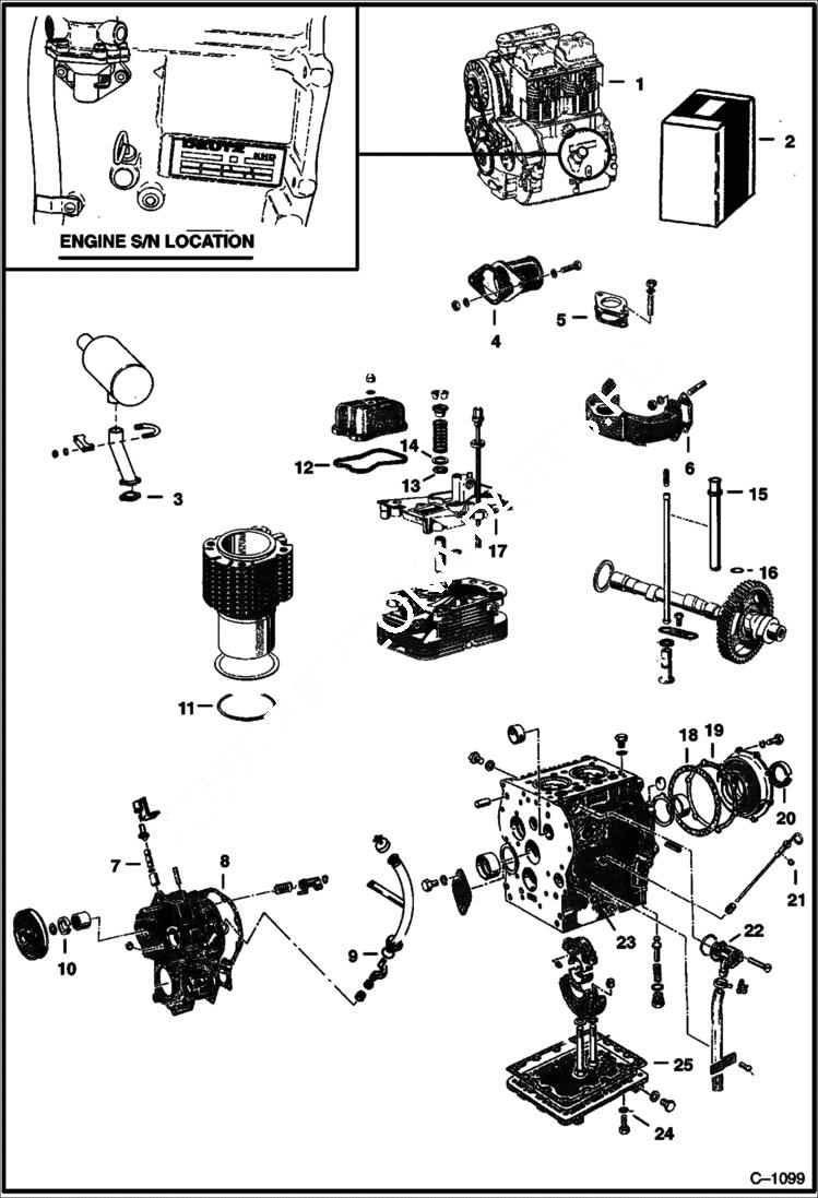
Запчасти Bobcat 600s DEUTZ DIESEL ENGINE POWER UNIT

Схема запчастей Bobcat 600s - DEUTZ DIESEL ENGINE POWER UNIT
FIT
1:1
100%

Артикул

Название

Примечание

Количество

1

ENGINE NLA - F2L410

2

6518524

GASKET KIT Overhaul - W/Ref. 3 - 25

3

6541299

GASKET See Illustration ENGINE ATTACHING PARTS/ C1420 Ref. 47

4

6516142

GASKET See Illustration AIR CLEANER & MANIFOLD/ B1236 Ref. 10

5

6541299

GASKET See Illustration AIR CLEANER & MANIFOLD/ B1236 Ref. 24 - Was 6515953 - A

6

4110763

GASKET See Illustration AIR CLEANER & MANIFOLD/ B1236 Ref. 28

7

6515986

O-RING See Illustration FRONT COVER GROUP/ B1232 Ref. 15

8

6515954

GASKET See Illustration FRONT COVER GROUP/ B1232 Ref. 18

9

O-RING See Illustration FRONT COVER GROUP/ B1232 NLA - Ref. 27 - Was 6505542 - A

10

6511607

SEAL See Illustration FRONT COVER GROUP/ B1232 Ref. 50

11

6516037

O-RING See Illustration CYLINDER BLOCK, HEADS, VALVES & CAMSHAFT/ A1067 Ref. 4

12

6511128

GASKET See Illustration CYLINDER BLOCK, HEADS, VALVES & CAMSHAFT/ A1067 Ref. 16

13

6515529

O-RING See Illustration CYLINDER BLOCK, HEADS, VALVES & CAMSHAFT/ A1067 Ref. 17

14

6516048

WASHER See Illustration CYLINDER BLOCK, HEADS, VALVES & CAMSHAFT/ A1067 Ref. 18

15

6516059

O-RING See Illustration CYLINDER BLOCK, HEADS, VALVES & CAMSHAFT/ A1067 Ref. 40

16

6519268

O-RING See Illustration CYLINDER BLOCK, HEADS, VALVES & CAMSHAFT/ A1067 Ref. 46

17

6519259

GASKET See Illustration CYLINDER BLOCK, HEADS, VALVES & CAMSHAFT/ A1067 Ref. 50

18

6513845

GASKET See Illustration BLOCK GROUP/ B20853 Ref. 25

19

6513846

GASKET See Illustration BLOCK GROUP/ B20853 Ref. 26

20

6516000

SEAL See Illustration BLOCK GROUP/ B20853 Ref. 30

21

6515616

O-RING See Illustration BLOCK GROUP/ B20853 Ref. 34

22

6516012

O-RING See Illustration BLOCK GROUP/ B20853 Ref. 38

23

6513763

WASHER See Illustration BLOCK GROUP/ B20853 Ref. 52 - Was 2FM-14180 - A

24

6515937

WASHER See Illustration BLOCK GROUP/ B20853 Ref. 61

25

GASKET See Illustration BLOCK GROUP/ B20853 NLA - Ref. 63 - Was 6511834 - A

Выбрано товаров: 25