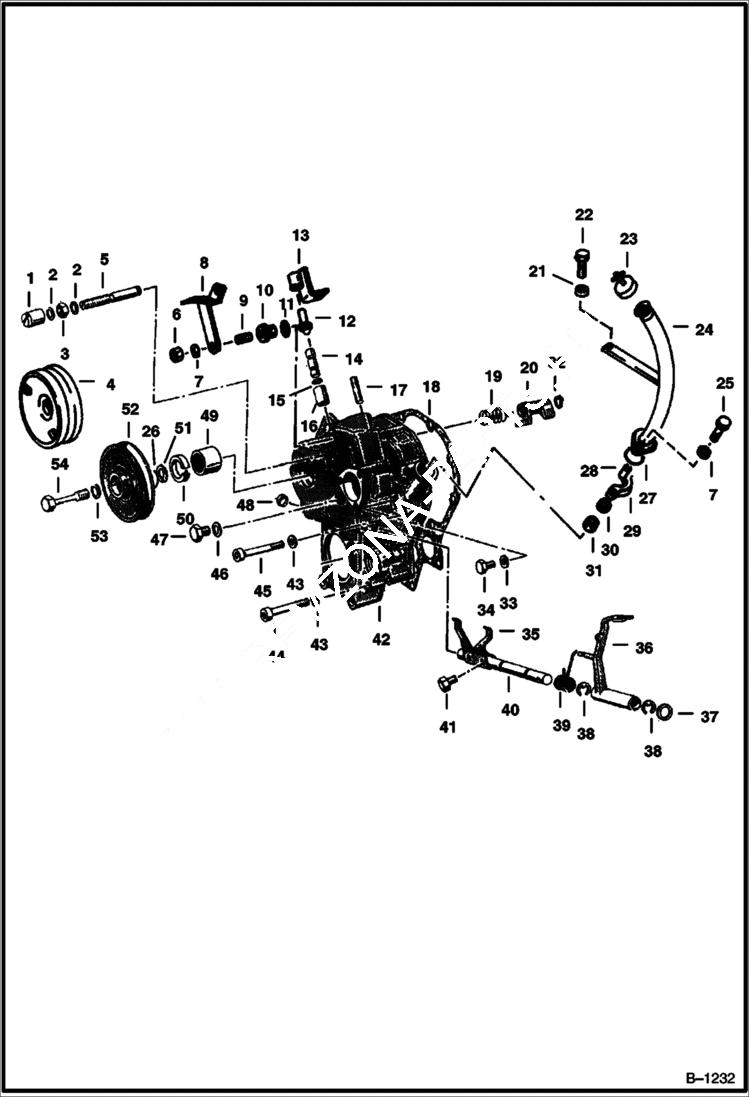
Запчасти Bobcat 600s FRONT COVER GROUP POWER UNIT

Схема запчастей Bobcat 600s - FRONT COVER GROUP POWER UNIT
FIT
1:1
100%

Артикул

Название

Примечание

Количество

1

6511935

CAP

2

1FM80115

WASHER copper

3

32DM80

NUT

4

PULLEY NLA

5

6515982

SHAFT

6

81D4

NUT

7

25E13

WASHER 5

8

6508291

LEVER

9

STUD NLA - Was 662106 - A

10

6508305

PLUG

11

6515946

WASHER

12

BUTTON NLA - Was 6508299 - A

13

6508292

BRACKET

14

BUTTON See BTI196 NLA

15

6515986

O-RING

16

BUSHING See BTI196 NLA

17

6515927

STUD injection pump

18

6515954

GASKET

19

6515983

SPRING

20

6513894

STOP

21

6EM80

WASHER, SPRING

22

1CM820

BOLT Was 4CM820 - A

23

6515779

CAP oil filler

24

TUBE NLA - oil filler - Was 6505537 - A

25

17C418

BOLT

26

6519257

SEAL

27

O-RING NLA - Was 6505542 - A

28

SPACER NLA - Was 6505541 - A

29

COLLAR NLA - Was 6505540 - A

30

4E4

WASHER

31

61D4

NUT 5

32

5JM8

CLIP

33

6511942

WASHER Was 6516027 - A

34

6516018

SCREW

35

SPRING NLA - governor - Order Ref. 35 & 40

35

6630277

SPRING 4 Bolt Holes

36

ARM NLA - Was 6515980 - A

37

6515988

WASHER

38

9JM90

RETAINER

39

6515981

SPRING

40

6630280

SHAFT throttle - 4 Bolt Holes

41

1CM610

BOLT Was 4CM610 - A

42

6516028

COVER front

43

1FM60100

WASHER

44

1GM650

BOLT socket head

45

6513811

BOLT socket head - Was 1GM00660B - A

46

2FM16220

WASHER copper

47

1KM16

PLUG

48

3FM00012

PLUG soft

49

6515977

BEARING needle

50

6511607

SEAL camshaft

51

6516003

SHIM

52

6516004

PULLEY single

53

6516002

WASHER

54

6515923

SCREW

Выбрано товаров: 55