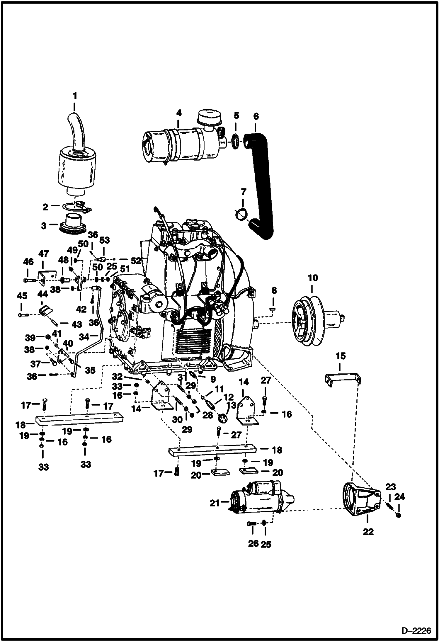
Запчасти Bobcat 600s PETTER ENGINE & ATTACHING PARTS POWER UNIT

Схема запчастей Bobcat 600s - PETTER ENGINE & ATTACHING PARTS POWER UNIT
FIT
1:1
100%

Артикул

Название

Примечание

Количество

1

6504902

MUFFLER

2

711215

CLAMP

3

6509791

FLANGE exhaust

4

6518192

AIR CLEANER See Illustration AIR CLEANER/ B20846

5

42H32

HS CLAMP5

6

HOSE NLA - Was 6505403 - A

7

44H48

CLAMP Was 6515576 - A

8

6J808

KEY, WOODRUFF

9

ADAPTER NLA - Was 6516756 - A

10

SHEAVE See Illustration VARIABLE SPEED DRIVE SHEAVE/ C1342 NLA - variable - Was 6502004 - A

11

6515616

O-RING

12

6505865

ADAPTER

13

6515472

SWITCH oil pressure

14

6516759

BRACKET

15

6540094

BRACKET stop-run cable

16

4E8

WASHER

17

17C832

BOLT

18

6505263

BAR

19

25E21

WASHER 5

20

BLOCK NLA - Was 6504024 - A

21

6516728

STARTER See Illustration LUCAS STARTER/ B1738 See Illustration LUCAS STARTER/ A1397 Lucas

21

STARTER See Illustration DELCO STARTER/ B20840 Delco

22

6516760

BRACKET

23

6516761

STUD M10 x 40

23

6516949

STUD M10 x 45

24

1DM10

NUT

25

4E6

WASHER

26

SCREW NLA - Was 6516842 - A

27

17C824

BOLT 5

28

NUT NLA - Was 7DM00008B - A

29

25E16

WSHR

30

6516767

STUD M8 x 38

31

6516768

STUD M8 x 35

32

6516769

DOWEL crankcase foot

33

61D8

NUT 5

34

6505288

ROD

35

17C412

BOLT 5

36

1F416

PIN

37

17C516

BOLT

38

25E15

WASHER

39

61D5

NUT

40

6505864

PLATE throttle

41

6505861

SPACER

42

NLA - Was 6505251 - A

43

6540097

PIN

44

6509762

FORK

45

1F216

PIN Was 1F-210 - A

46

17C632

BOLT 5

47

6505248

BRACKET

48

6515202

BUSHING

49

10H35

FITTING, GREASE 10

50

25E17

WASHER 5

51

61D6

NUT 5

52

15G505

SCREW

53

6551463

BLOCK

Выбрано товаров: 0