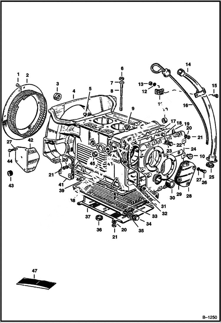
Запчасти Bobcat 600s CRANKCASE POWER UNIT

Схема запчастей Bobcat 600s - CRANKCASE POWER UNIT
FIT
1:1
100%

Артикул

Название

Примечание

Количество

1

1CM612

BOLT Was 4CM612 - A

2

6516808

GUARD fan

3

6516819

BEARING camshaft

4

6519392

CRANKCASE

5

6516874

PLUG crankcase oilway

6

6516866

NUT

7

6516843

WASHER

8

6516844

STUD cylinder head

9

6516845

PLUG crankcase oilway

10

6516846

BUSHING fuel pump tappet

11

6516847

BRACKET dipstick

12

WASHER NLA - Was 878992B - A

13

1DM6

NUT

14

6516849

TUBE dipstick

15

1CM612

BOLT Was 4CM612 - A

16

DIPSTICK NLA - Was 6516850 - A

17

6516768

STUD

18

6516851

DOWEL

19

6516852

GASKET

20

896263

SHIM

21

1DM8

NUT

22

6516853

PLUG

23

869686

WASHER sealing

24

6516855

COVER gear

25

6516856

SEAL

26

6516857

SCREW

27

2EM10

WASHER

28

6516859

PLATE

29

6516860

GASKET

30

6516861

PLUG

31

6516862

DOWEL

32

6516863

STUD

33

6516864

STUD

34

6516865

PLUG drain

35

954573

WASHER sealing

36

6516867

PLUG

37

6516868

PLATE

38

6516869

SUMP

39

6516870

GASKET

40

6516871

GASKET

41

6516872

PLATE generator drive blanking

42

6516873

PLATE starter blanking

43

6516758

GROMMET

44

1CM1016

SCREW Was 4CM1016 - A

45

PLUG NLA - Was 6516875 - A

46

6516810

STUD

47

6518089

GASKET KIT

Выбрано товаров: 47