Качественные детали и логистика
Оригинальные и аналоговые запчасти с доставкой по России, Казахстану и Беларуси
©2022 PartSell ООО "Система" ИНН 2463123282 ОГРН 1212400004838
Центральный офис: г. Красноярск, Академика Киренского, д.87, пом.4
Телефон: 8 (800) 777-65-74 Email: zakaz@partsell.ru
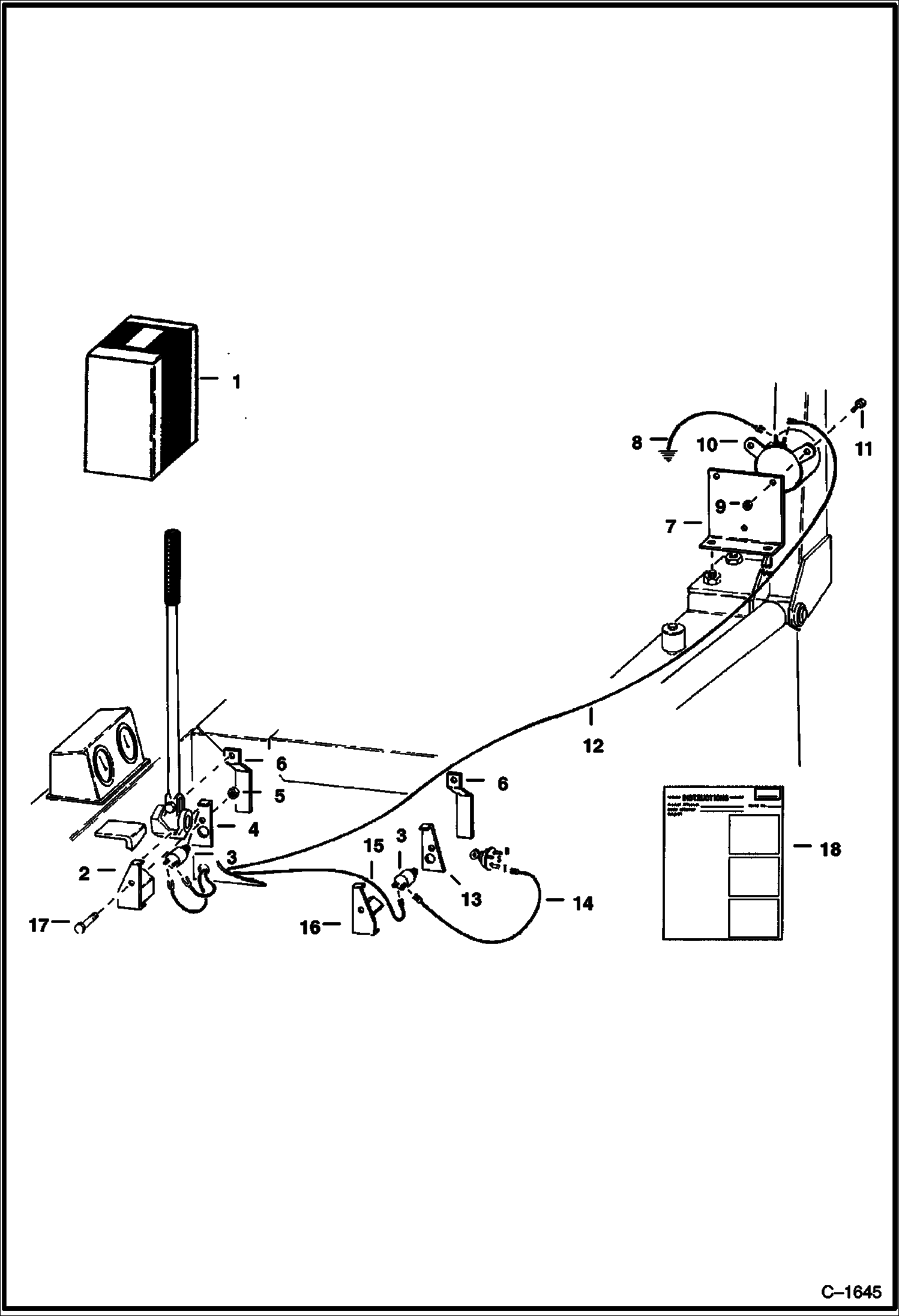
BACK-UP ALARM
№
Артикул
Название
Примечание
Количество
1
6548657
KIT Ref. 2 - 18
2
6541995
GUARD switch
3
6632973
SWITCH back-up - Was 600259B - A
4
6541991
SUPPORT switch
5
85D4
NUT 5 Was 42D000004B - A
6
6541950
ACTUATOR switch
7
6542213
BRACKET
8
WIRE NLA - ground
9
61D5
NUT
10
6640795
ALARM Was 6519359 - A
11
17C512
BOLT 5
12
WIRE NLA
13
6541993
14
15
16
6541996
17
17C448
BOLT
18
6545962
INSTRUCTIONS
Выбрано товаров: 0