Запчасти Bobcat 600s BRAKES ACCESSORIES & OPTIONS

Схема запчастей Bobcat 600s - BRAKES ACCESSORIES & OPTIONS
FIT
1:1
100%

Артикул

Название

Примечание

Количество

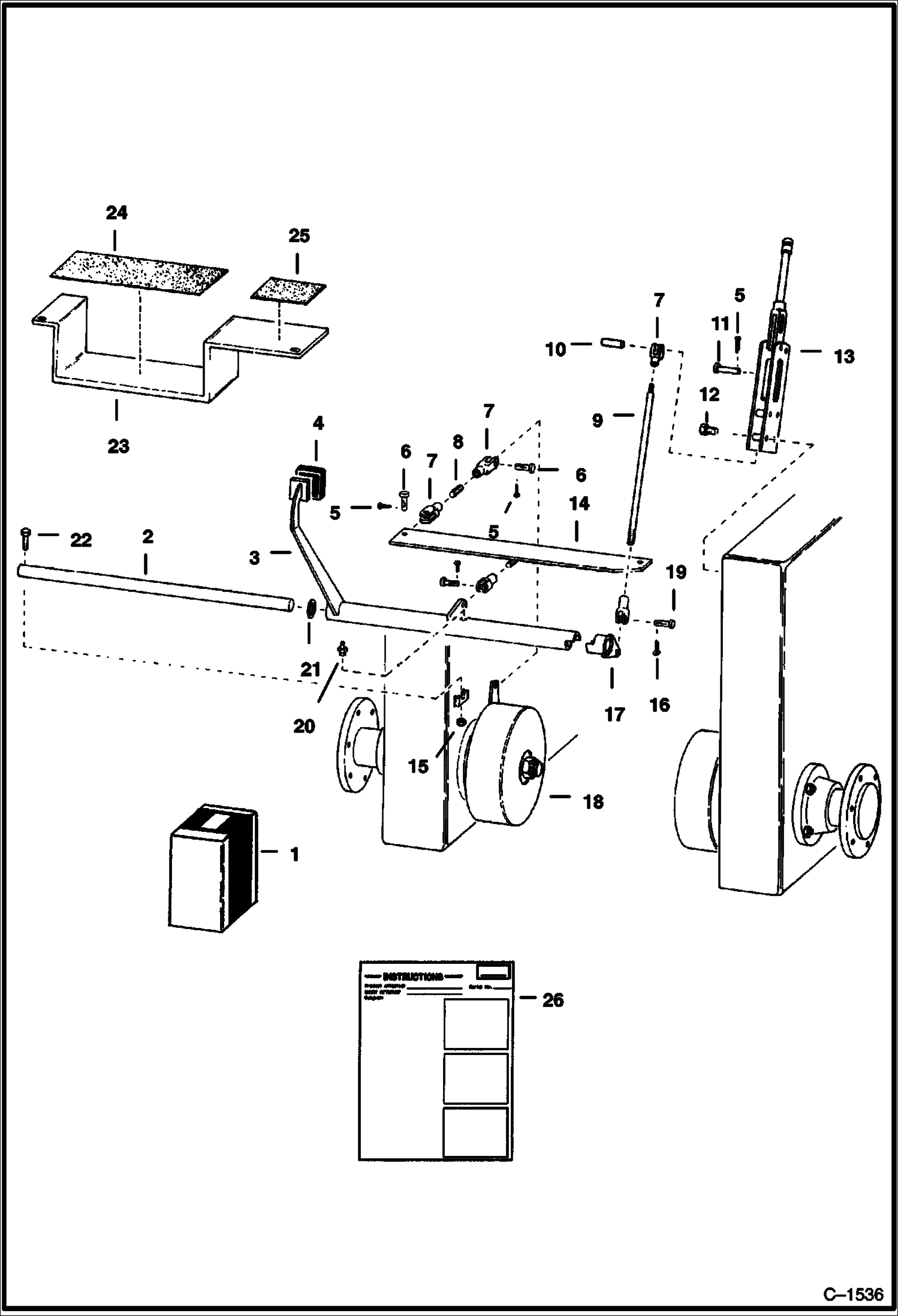
1

KIT See Illustration AXLE & BRAKE ASSEMBLY/ C1378 NLA - Ref. 11, 13, 16-20, 23 & 26 - brakes - Order Ref. 2-9, 12-17 & 21-26 on this Illustration - Was 6547224 - A

2

SHAFT NLA - Was 6502910 - A

3

6544372

PEDAL

4

GRIP NLA - Was 6518999 - A

5

1F416

PIN Was 1F-412 - D

6

663350

PIN

7

6508041

YOKE

8

ROD NLA - Was 6509653 - A

9

6590765

ROD

10

6540106

BUSHING

11

PIN NLA - Was 980862 - A

12

17C528

BOLT

13

6519000

LEVER

14

6544374

BAR

15

91D5

NUT 5 Was 81D000005B - B

16

1F312

PIN

17

6544377

PIVOT

18

BRAKE ASSY. See Illustration AXLE & BRAKE ASSEMBLY/ C1378

19

2F6106

PIN

20

11H25

FITTING10

21

25E29

WSHR

22

17C524

BOLT

23

6547472

GUARD

24

6547554

TREAD

25

6547555

TREAD

26

INSTRUCTIONS NLA - Print INstructions from BASS - Was 6545780 - A

Выбрано товаров: 26