Запчасти Bobcat 600s MAIN FRAME ATTACHING PARTS Left Side Illustrated MAIN FRAME

Схема запчастей Bobcat 600s - MAIN FRAME ATTACHING PARTS Left Side Illustrated MAIN FRAME
FIT
1:1
100%

Артикул

Название

Примечание

Количество

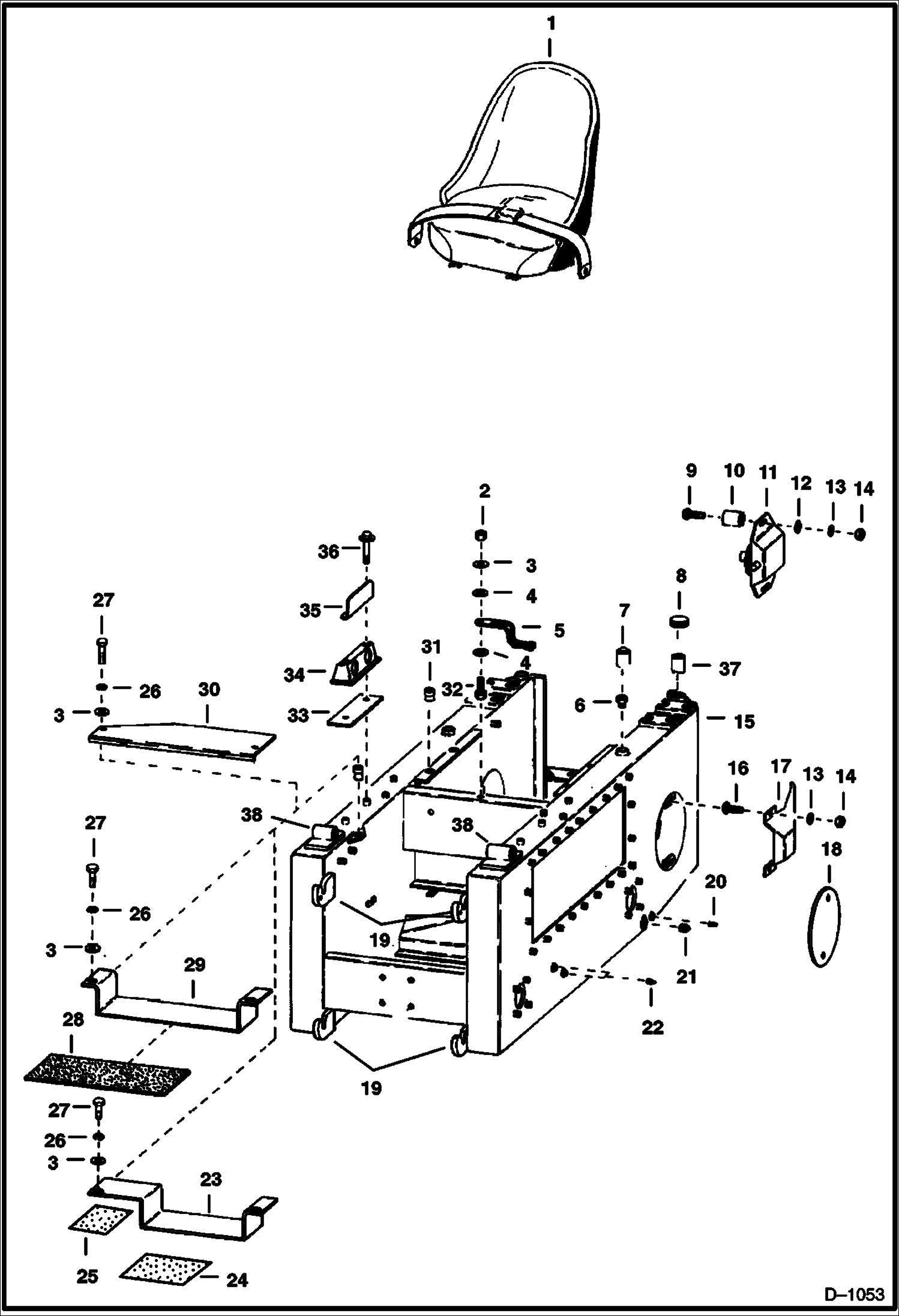
1

SEAT See Illustration SEAT & SEAT MOUNTING/ B20855

2

61D6

NUT 5

3

25E17

WASHER 5

4

6E6

WASHER shakeproof

5

6553094

CABLE battery ground

6

19F7

BUSHING reducing

7

6515173

CAP breather

8

6512841

CAP fuel

8

6512910

FUEL CAP fuel - Explosion Proof

9

7C836

BOLT carriage

10

SPACER NLA - Was 6503440 - A

11

6504938

CYLINDER See Illustration VARIABLE SPEED DRIVE SHEAVE/ C1016 variable speed

12

25E21

WASHER 5

13

25E8

WSHR

14

81D8

NUT

15

CHANNEL NLA - upright - Was 6502297 - A

16

7C820

BOLT carriage

17

GUARD NLA - variable speed - Was 6502583 - A

18

6554939

COVER drive sheave

19

6502400

HOOK

20

40K4

PLUG

21

40K12

PLUG

22

40K2

PLUG

23

6547472

GUARD Optional W/Brake Option

24

6547554

TREAD

25

6547555

TREAD

26

4E6

WASHER

27

17C614

BOLT

28

6502459

SAFETY TREAD

29

6547556

GUARD foot pedal

30

6544556

GUARD foot pedal

31

6515275

NUTSERT

32

17C632

BOLT 5

33

6502694

GASKET

34

PANEL NLA - instrument - RH - Was 6502693 - A

35

GUARD NLA - hand - Was 6503047 - A

36

SCREW NLA - Order 17C000552B & 25E000015B - Was 6505059 - A

37

6515627

ADAPTER fuel cap

38

6541218

MOUNT

Выбрано товаров: 39