Качественные детали и логистика
Оригинальные и аналоговые запчасти с доставкой по России, Казахстану и Беларуси
©2022 PartSell ООО "Система" ИНН 2463123282 ОГРН 1212400004838
Центральный офис: г. Красноярск, Академика Киренского, д.87, пом.4
Телефон: 8 (800) 777-65-74 Email: zakaz@partsell.ru
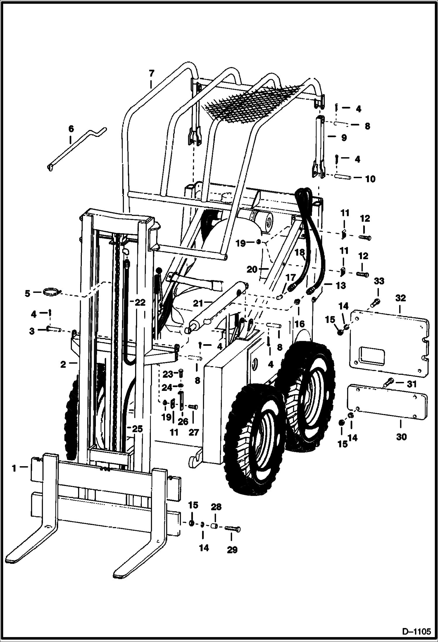
VERTICAL FORKLIFT
№
Артикул
Название
Примечание
Количество
1
FORK See Illustration VERTICAL MAST/ C1269
2
MAST See Illustration VERTICAL MAST/ C1269
3
6506655
PIN
4
1F632
5
6503117
TIE
6
6506656
ROD throttle
7
6506648
GUARD overhead
8
6502326
9
6506649
SUPPORT
10
6502325
11
6502203
CLAMP
12
17C648
BOLT 5
13
6506651
HOSE
14
4E8
WASHER
15
61D8
NUT 5
16
89F5
CONNECTR
17
83F5
ELBOW
18
HOSE NLA - Was 6506650 - A
19
81D6
NUT
20
6506646
BRACE upright - Left
6506647
BRACE upright - Right
21
6506652
CYLINDER See Illustration TILT CYLINDER/ B20849 tilt
22
6506695
23
17C616
24
25E17
WASHER 5
25
6506654
26
6502428
BRACKET
27
17C620
BOLT
28
BUSHING NLA - Was 6506678 - A
29
17C848
30
6548613
COUNTERWEIGHT
31
17C880
32
COUNTERWEIGHT NLA - 85 lbs. - Was 6503167 - A
33
17C872
Выбрано товаров: 0