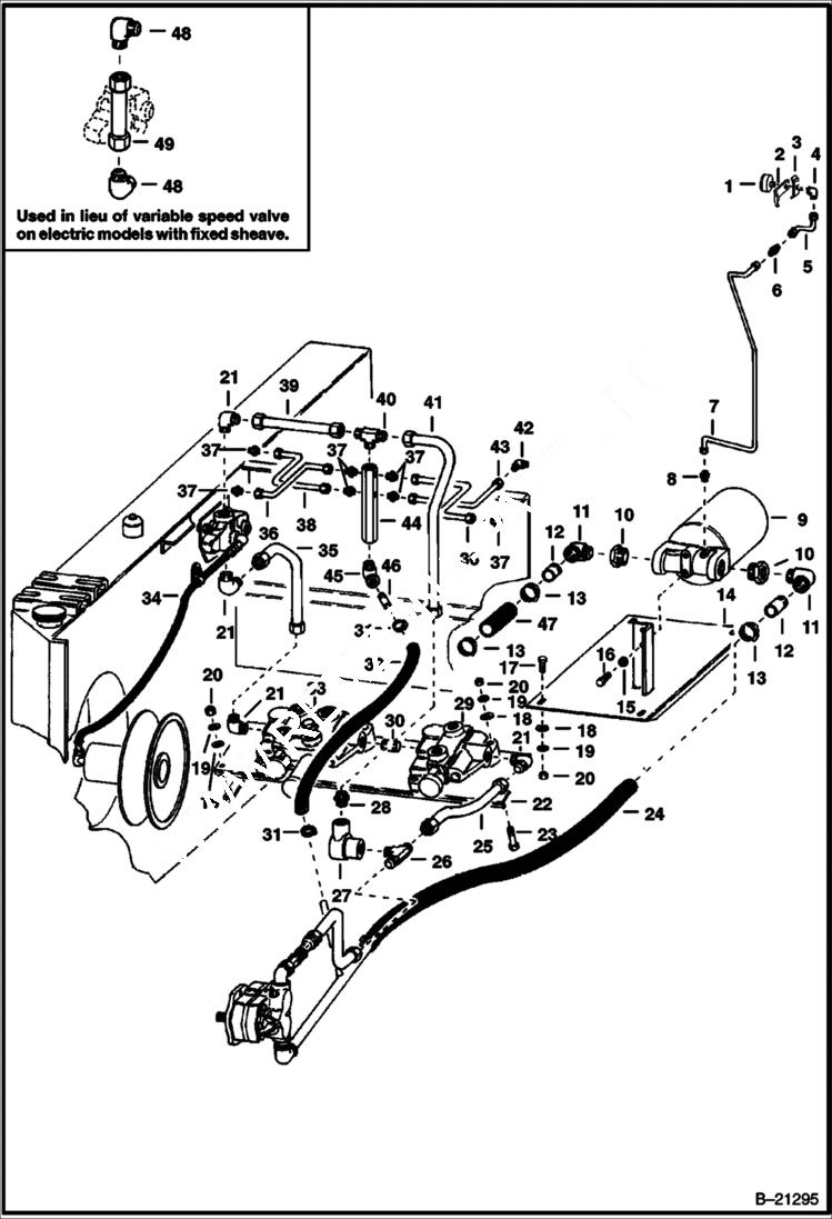
Запчасти Bobcat 600s MAIN FRAME HYDRAULIC CICUITRY S/N 75648 & Below HYDRAULIC SYSTEM

Схема запчастей Bobcat 600s - MAIN FRAME HYDRAULIC CICUITRY S/N 75648 & Below HYDRAULIC SYSTEM
FIT
1:1
100%

Артикул

Название

Примечание

Количество

1

6654208

GAUGE vacuum - Was 6518226 - A

2

BRACKET NLA - Was 6503450 - A

3

BRACKET NLA - Was 6502775 - A

4

85F3

ELBOW

5

TUBE NLA - Was 6501116 - A

6

87F3

ADAPTOR

7

TUBE NLA - Was 6501118 - A

8

89F3

ADAPTOR

9

FILTER See Illustration HYDRAULIC OIL FILTER/ B13878 NLA - hydrostatic - 10 micron - Was 6555477 - A

10

19F16

BUSHING

11

26F6

ELBOW

12

ADAPTER NLA - Was 6502416 - A

13

42H32

HS CLAMP5

14

NLA - Was 6504718 - A

15

25E15

WASHER

16

17C512

BOLT 5

17

17C616

BOLT 5

18

25E19

WASHER flat

19

4E6

WASHER

20

61D6

NUT 5

21

83F8

ELBOW

22

6502908

PLATE valve bank mounting

23

17C640

BOLT 5

24

PUMP See Illustration HYDRAULIC PUMP CIRCUITRY/ B1162 See Illustration HYDRAULIC PUMP CIRCUITRY/ B21296 See Illustration HYDRAULIC PUMP CIRCUITRY/ C1373

25

TUBE NLA - Was 6501033 - A

26

6515134

TEE

27

6504940

VALVE See Illustration MASTER RELIEF VALVE/ B13855 RELIEF

28

663013

CONN

29

6504942

VALVE See Illustration TILT CYLINDER VALVE/ C1049 TILT

30

5K611

NIPPLE

31

42H12

CLAMP 10

32

6503413

HOSE

33

6504941

VALVE See Illustration LIFT CYLINDER & AUXILIARY VALVE/ C1240 LIFT & AUXILIARY

34

DRIVE See Illustration VARIABLE SPEED DRIVE CIRCUITRY/ B21301 See Illustration VARIABLE SPEED DRIVE CIRCUITRY/ B21300 See Illustration VARIABLE SPEED DRIVE CIRCUITRY/ B21302 VARIABLE SPEED CIRCUITRY

35

TUBE NLA - Was 6501078 - A

36

TUBE NLA - Was 6501068 - A

37

89F5

CONNECTR

38

TUBE NLA - Was 6501067 - A

39

TUBE NLA - Was 6501066 - A

40

98F8

TEE

41

6501069

TUBE

42

83F5

ELBOW

43

TUBE NLA - Was 6501158 - A

44

6501073

VALVE See Illustration CLUTCH PRESSURE RELIEF VALVE/ B1170 PRESSURE RELIEF

45

26F4

ELBOW

46

6511859

ADAPTER

47

6515158

HOSE

48

77F8

ELBOW

49

TUBE NLA - Was 6505446 - A

Выбрано товаров: 49