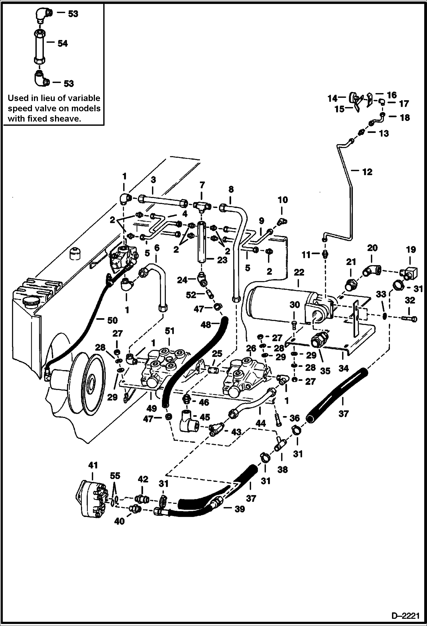
Запчасти Bobcat 600s MAIN FRAME HYDRAULIC CICUITRY S/N 75648 & Above HYDRAULIC SYSTEM

Схема запчастей Bobcat 600s - MAIN FRAME HYDRAULIC CICUITRY S/N 75648 & Above HYDRAULIC SYSTEM
FIT
1:1
100%

Артикул

Название

Примечание

Количество

1

83F8

ELBOW

2

89F5

CONNECTR

3

TUBE NLA - Was 6501066 - A

4

TUBE NLA - Was 6501067 - A

5

TUBE NLA - Was 6501068 - A

6

TUBE NLA - Was 6501078 - A

7

98F8

TEE

8

6501069

TUBE

9

TUBE NLA - Was 6501158 - A

10

83F5

ELBOW

11

89F3

ADAPTOR

12

6546543

TUBE

13

87F3

ADAPTOR

14

6654208

GAUGE Was 6518226 - A

15

BRACKET NLA - Was 6503450 - A

16

BRACKET NLA - Was 6502775 - A

17

85F3

ELBOW

18

TUBE NLA - Was 6501116 - A

19

ELBOW NLA - Was 666846B - A

20

26F6

ELBOW

21

19F16

BUSHING

22

FILTER See Illustration HYDRAULIC OIL FILTER/ B13878 NLA - hydrostatic - 10 micron - Was 6555477 - A

23

6501073

VALVE See Illustration CLUTCH PRESSURE RELIEF VALVE/ B1170 PRESSURE RELIEF

24

26F4

ELBOW

25

5K611

NIPPLE

26

6504942

VALVE See Illustration TILT CYLINDER VALVE/ C1049 TILT

27

61D6

NUT 5

28

4E6

WASHER

29

25E17

WASHER 5 flat

30

17C616

BOLT 5

31

42H32

HS CLAMP5

32

17C512

BOLT 5

33

25E15

WASHER flat

34

6546545

PLATE

35

6511050

FITTING

36

17C640

BOLT 5

37

6509648

HOSE

38

TUBE NLA - Was 6509773 - A

39

HOSE NLA - Was 6501980 - A

40

730963

CONNECTR W/Ref. 55

41

PUMP See Illustration HYDRAULIC PUMP CIRCUITRY/ C1373 CIRCUITRY

42

1309919

CONECTOR W/Ref. 55

43

6515134

TEE

44

TUBE NLA - Was 6501033 - A

45

6504940

VALVE See Illustration MASTER RELIEF VALVE/ B13855 RELIEF

46

663013

CONN

47

42H12

CLAMP 10

48

6504396

HOSE

49

6502908

PLATE

50

DRIVE See Illustration VARIABLE SPEED DRIVE CIRCUITRY/ B21301 See Illustration VARIABLE SPEED DRIVE CIRCUITRY/ B21302 VARIABLE SPEED CIRCUITRY

51

6504941

VALVE See Illustration LIFT CYLINDER & AUXILIARY VALVE/ C1240 LIFT AND AUX.

52

6511859

ADAPTER

53

77F8

ELBOW

54

TUBE NLA - Was 6505446 - A

55

79K12

O RING 10

Выбрано товаров: 55