Запчасти Bobcat 600s LIFT CYLINDER CIRCUITRY HYDRAULIC SYSTEM

Схема запчастей Bobcat 600s - LIFT CYLINDER CIRCUITRY HYDRAULIC SYSTEM
FIT
1:1
100%

Артикул

Название

Примечание

Количество

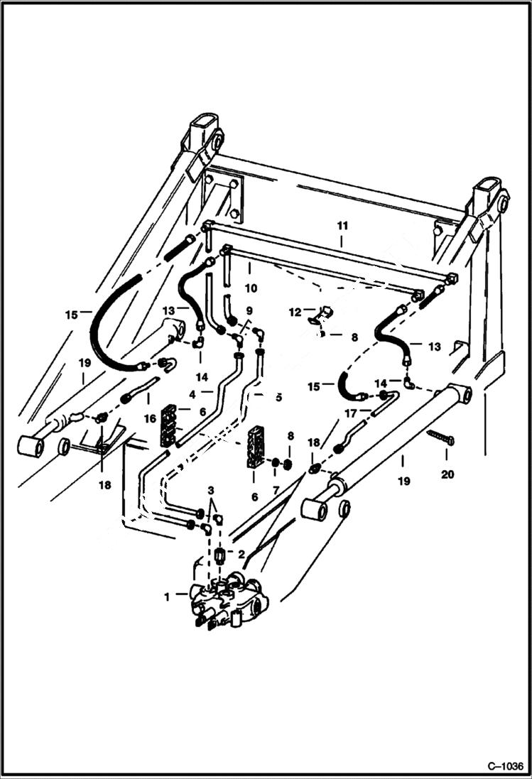
1

6504941

VALVE See Illustration LIFT CYLINDER & AUXILIARY VALVE/ C1240 LIFT AND AUX.

2

6515537

RESTRICTOR

3

662487

ELBOW

4

TUBE NLA - Was 6501034 - A

5

TUBE NLA - Was 6501035 - A

6

BLOCK NLA - wood - Was 6502345 - A

7

25E17

WASHER 5 flat

8

81D6

NUT

9

77F6

ELBOW

10

6501046

TUBE

10

TUBE NLA - B.O.M. - Was 6505832 - A

11

TUBE NLA - Was 6501045

11

6505833

TUBE B.O.M.

12

6502203

CLAMP

13

6501055

HOSE

14

83F5

ELBOW

15

6501050

HOSE

16

6501036

TUBE

17

6501037

TUBE

18

89F5

CONNECTR

19

CYLINDER See Illustration LIFT CYLINDER/ C1052 See Illustration LIFT CYLINDER/ C1343 LIFT

20

42H40

HOSECLAM5 Was 875248 - A

Выбрано товаров: 22