Запчасти Bobcat 600s TILT CYLINDER HYDRAULIC CIRCUITRY B.O.M. Electric HYDRAULIC SYSTEM

Схема запчастей Bobcat 600s - TILT CYLINDER HYDRAULIC CIRCUITRY B.O.M. Electric HYDRAULIC SYSTEM
FIT
1:1
100%

Артикул

Название

Примечание

Количество

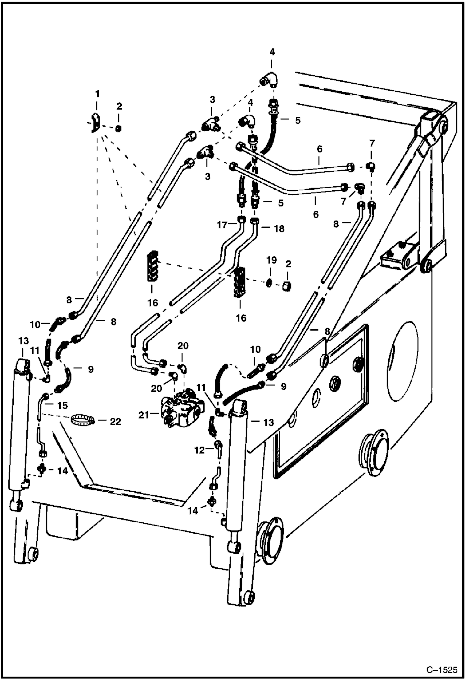
1

6502203

CLAMP

2

81D6

NUT

3

10K6

FITTING

4

11K6

UNION

5

HOSE NLA - Was 6506828 - A

6

TUBE NLA - Was 6506542 - A

7

77F6

ELBOW

8

6501040

TUBE

9

6501049

HOSE

10

6501051

HOSE

11

83F5

ELBOW

12

6501042

TUBE

13

6501108

CYLINDER See Illustration TILT CYLINDER/ B21299 See Illustration TILT CYLINDER/ B13860 TILT

14

89F5

CONNECTR reducing

15

6501041

TUBE

16

BLOCK NLA - wood - Was 6502345 - A

17

TUBE NLA - Was 6501038 - A

18

TUBE NLA - Was 6501039 - A

19

25E17

WASHER 5

20

662487

ELBOW

21

6504942

VALVE See Illustration TILT CYLINDER VALVE/ C1049 TILT

22

42H40

HOSECLAM5 Was 875248 - A

Выбрано товаров: 22