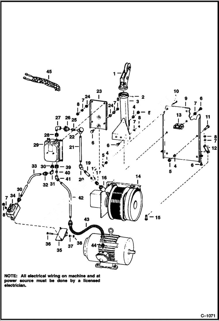
Запчасти Bobcat 600s MAIN FRAME ELECTRICAL PARTS For Machine Mounted Reel ELECTRICAL SYSTEM

Схема запчастей Bobcat 600s - MAIN FRAME ELECTRICAL PARTS For Machine Mounted Reel ELECTRICAL SYSTEM
FIT
1:1
100%

Артикул

Название

Примечание

Количество

1

SWIVEL See Illustration ELECTRIC CORD SWIVEL/ B21306 See Illustration ELECTRICAL CORD SWIVEL/ C1593 See Illustration ELECTRIC CORD SWIVEL/ C1073 CORD

2

SET SCREW NLA - Was 16G000404B

3

TUBE See Illustration ELECTRIC CORD SWIVEL/ B21306 See Illustration ELECTRICAL CORD SWIVEL/ C1593 See Illustration ELECTRIC CORD SWIVEL/ C1073 MAST

4

4E8

WASHER

5

61D8

NUT 5

6

17C616

BOLT 5

7

4E6

WASHER

8

61D6

NUT 5

9

BRACKET NLA - reel mounting - Was 6504780 - A

10

17C824

BOLT 5

11

17C832

BOLT

12

STRAP NLA - Was 6502894 - A

13

6515531

GUIDE electric cord

13

6517533

ROLLER For Cord Guide

14

REEL See Illustration ELECTRIC CORD REEL/ C3326 See Illustration ELECTRIC CORD REEL/ C3327 See Illustration ELECTRICAL CORD REEL/ C1072

15

6514516

BOLT

16

COUPLING NLA - Was 75F000007B - A

17

6515143

REDUCER

18

NUT NLA - Was 1313387 - A

19

NIPPLE NLA - Was 5K000624B - A

20

6515148

ELBOW

21

6502937

CONDUIT M-500

21

6503134

CONDUIT M-600

22

1682858

ELBOW

23

6504781

PLATE M-500

23

6504829

PLATE M-600

24

25E17

WASHER 5

25

5K611

NIPPLE

26

1682868

UNION

27

6515149

ELBOW

28

6515146

REDUCER M-500

28

6515151

REDUCER M-600

29

6515785

STARTER BOX 440 vt., sz. 1 - 10hp

29

6515786

STARTER BOX 440 vt., sz. 2 - 15hp

29

STARTER BOX NLA - 500/50 volt - 15 hp - Was 6519191 - A

29

6519190

STARTER BOX 220-380 volt - 15 hp

29

6513148

STARTER BOX 550/60 volt - 15 hp

30

6515145

REDUCER

31

ELBOW NLA - Was 2401263 - A

32

1682870

UNION

33

6502938

CONDUIT

34

SWITCH NLA - start - stop - Was 6515182 - A

35

BRACKET NLA - Was 6504786 - A

36

17C540

BOLT

37

4E5

WASHER

38

61D5

NUT

39

6515144

REDUCER M-500

39

REDUCER NLA - M-600 - Was 6515152 - A

40

5K409

NIPPLE

41

6515150

ELBOW

42

CONDUIT NLA - Was 6502936 - A

43

6515593

CABLE flexible - W/Nipple

44

REDUCER NLA - Was 6515144 - A

45

6517536

GRIP strain relief

Выбрано товаров: 54