Запчасти Bobcat 600s MAIN FRAME ELECTRICAL PARTS B.O.M. Electric ELECTRICAL SYSTEM

Схема запчастей Bobcat 600s - MAIN FRAME ELECTRICAL PARTS B.O.M. Electric ELECTRICAL SYSTEM
FIT
1:1
100%

Артикул

Название

Примечание

Количество

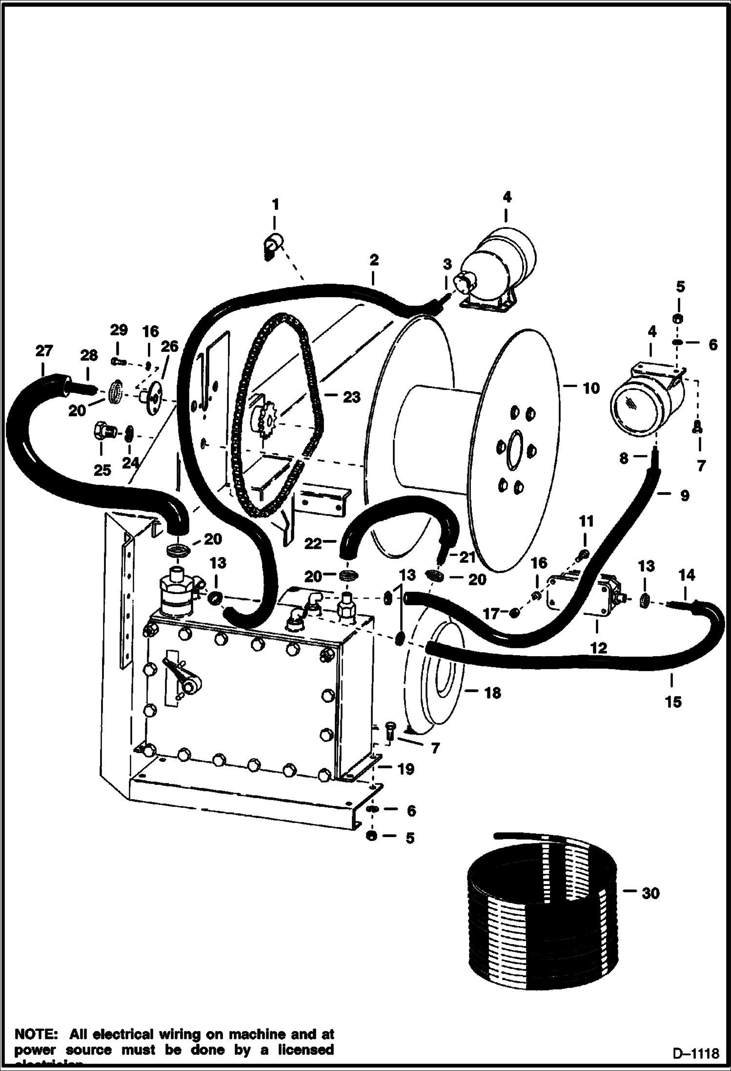
1

6516695

CLIP

2

6505902

HOSE

3

CABLE NLA - Was 6505899 - A

4

6516706

LIGHT W/O Flood Lamp - 12 Volt

4

6518548

FLOODLAMP 12 Volt

5

61D8

NUT 5

6

4E8

WASHER

7

17C820

BOLT

8

6505898

CABLE

9

6505903

HOSE

10

6516699

REEL See Illustration ELECTRICAL CORD REEL/ C1537 CABLE

11

17C420

BOLT

12

6516700

SWITCH See Illustration START-STOP SWITCH/ C1538 START - STOP

13

42H12

CLAMP 10

14

6505900

CABLE

15

6505901

HOSE

16

4E4

WASHER

17

61D4

NUT 5

18

MOTOR NLA - 15 hp Reliance, 3-Phrase, 60 Cycle 440 volt - W/Ref. 20 & 21 - Was 6505926 - A

18

6519176

MOTOR 15 hp Reliance, 3-Phase, 60 Cycle 575 volt - W/Ref. 20 & 21

19

6516701

STARTER 15 hp, 460 volt

19

6519175

STARTER 15 hp, 575 volt

19

6519212

LIGHT SWITCH

20

44H20

CLAMP Was 42H000020B - A

21

CABLE NLA

22

6505904

HOSE

23

CHAIN NLA - Was 6505906 - A

24

4E16

WASHER

25

17C1624

BOLT

26

6505808

RETAINER hose

27

6505905

HOSE

28

CABLE NLA

29

17C410

BOLT 10

30

6540200

CORD #10-4 Strand, 50' (15240mm) long

Выбрано товаров: 34