Качественные детали и логистика
Оригинальные и аналоговые запчасти с доставкой по России, Казахстану и Беларуси
©2022 PartSell ООО "Система" ИНН 2463123282 ОГРН 1212400004838
Центральный офис: г. Красноярск, Академика Киренского, д.87, пом.4
Телефон: 8 (800) 777-65-74 Email: zakaz@partsell.ru
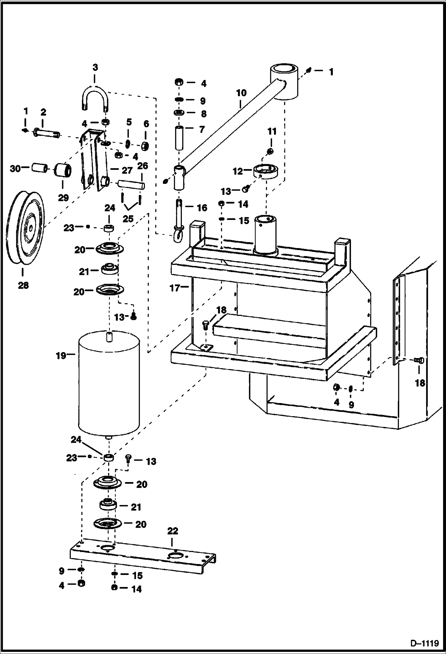
SWING FRAME ATTACHING PARTS B.O.M. Electric
№
Артикул
Название
Примечание
Количество
1
10H25
FITTING, GREASE 5
2
6506420
PIN idler
3
6506402
U-BOLT
4
61D8
NUT 5
5
23E12
WASHER Was 4E12 - A
6
61D12
NUT
7
6506398
BUSHING
8
6506477
WASHER
9
4E8
10
ARM NLA - swing - Was 6506432 - A
11
91D5
NUT 5 Was 81D000005B - A
12
6506405
COLLAR
13
17C516
BOLT
14
61D5
15
4E5
16
6506399
BOLT eye
17
6506431
FRAME swing
18
17C820
19
6506428
DRUM
20
6515096
FLANGE
21
6515103
BALL BEARING
22
6505430
CHANNEL
23
SET SCREW NLA - Was 16G000404B
24
6515095
COLLAR locking
25
PIN NLA - .25'' Diameter 2'' Long - Was 14J2532 - A
26
PIN NLA - Was 6506403 - A
27
6506422
BRACKET
28
6542732
SHEAVE
29
6506458
IDLER
30
6506459
Выбрано товаров: 0