Качественные детали и логистика
Оригинальные и аналоговые запчасти с доставкой по России, Казахстану и Беларуси
©2022 PartSell ООО "Система" ИНН 2463123282 ОГРН 1212400004838
Центральный офис: г. Красноярск, Академика Киренского, д.87, пом.4
Телефон: 8 (800) 777-65-74 Email: zakaz@partsell.ru
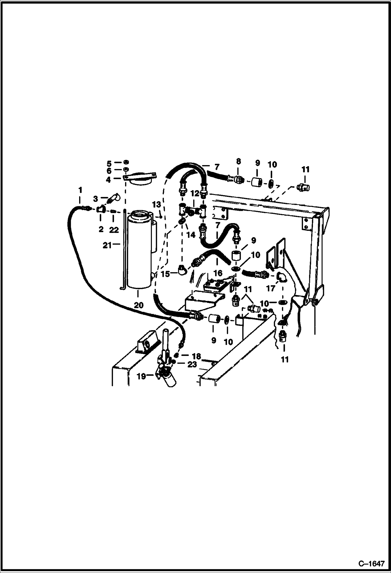
FIRE SUPPRESSION UNIT B.O.M. Electric
№
Артикул
Название
Примечание
Количество
1
605610
HOSE
2
TEE NLA - Was 18F000002B - A
3
6510114
VALVE safety relief
4
6546018
BRACKET
5
61D6
NUT 5
6
4E6
WASHER
7
661559
8
868274
9
COUPLING NLA - Was 75F000004B - A
10
25E27
11
6510111
NOZZLE spray
12
6510172
TEE
13
40K4
PLUG
14
5K611
NIPPLE
15
26F4
ELBOW
16
661562
17
ELBOW NLA - Was 24F000004B - A
18
BUSHING NLA - reducing - Was 76F000001B - A
19
6510112
ACTUATOR remote - W/6510113 Cartridge
20
CYLINDER NLA - powder
21
6546016
ROD
22
NIPPLE NLA - Was 5K000207B - A
23
5K106
Выбрано товаров: 0