Запчасти Bobcat 600s SEAT BAR KIT ACCESSORIES & OPTIONS

Схема запчастей Bobcat 600s - SEAT BAR KIT ACCESSORIES & OPTIONS
FIT
1:1
100%

Артикул

Название

Примечание

Количество

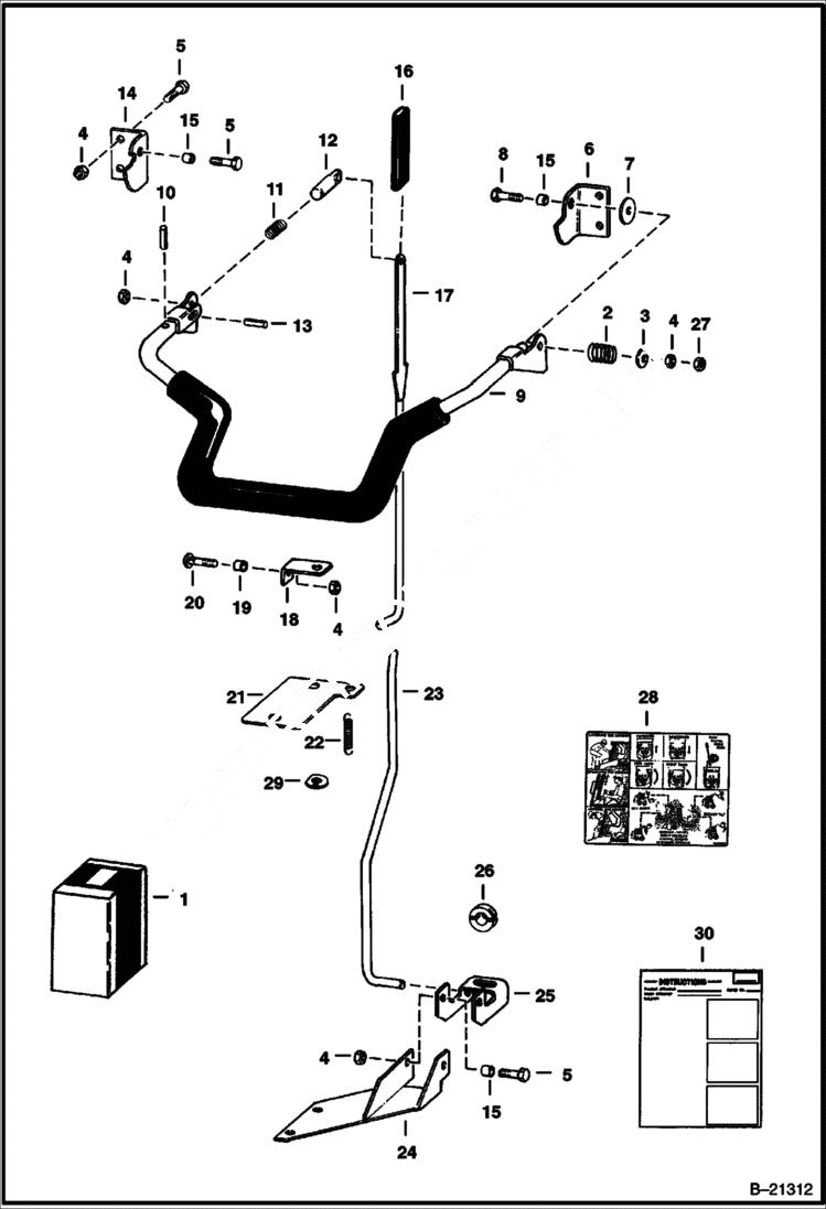
1

6563666

KIT Ref. 2 - 30

2

6562126

SPRING

3

27E6

WASHER 5

4

85D6

NUT, 5

5

17C616

BOLT 5

6

BRACKET NLA - Was 6563480 - A

7

6562127

WASHER

8

17C636

BOLT

9

BAR NLA - Was 6563544 - A

10

14J3716

PIN

11

6702430

SPRING, COMPRESSION Was 6563149 - A

12

6563200

PIN

13

14J3724

PIN

14

6563198

BRACKET

15

6544654

BUSHING

16

6563477

GRIP

17

ROD NLA - Was 6563184 - A

18

6563181

BRACKET

19

6555798

SPACER

20

BOLT NLA - Was 6560034

21

GUIDE NLA - Was 6563208 - A

22

SPRING NLA - Was 6563016 - A

23

ROD NLA - Was 6563182 - A

24

NLA - Was 6563473 - A

25

LOCK NLA - Was 6563470 - A

26

CLAMP NLA - Was 6598499 - A

27

7D6

NUT

28

6569022

DECAL Was 6563817 - A

29

BRACKET NLA - Was 6564049 - A

30

INSTRUCTIONS NLA - Print Instructions from BASS - Was 6566139 - A

Выбрано товаров: 30