Запчасти Bobcat 600s HYDRAULIC PUMP CIRCUITRY Wisconsin HYDRAULIC SYSTEM

Схема запчастей Bobcat 600s - HYDRAULIC PUMP CIRCUITRY Wisconsin HYDRAULIC SYSTEM
FIT
1:1
100%

Артикул

Название

Примечание

Количество

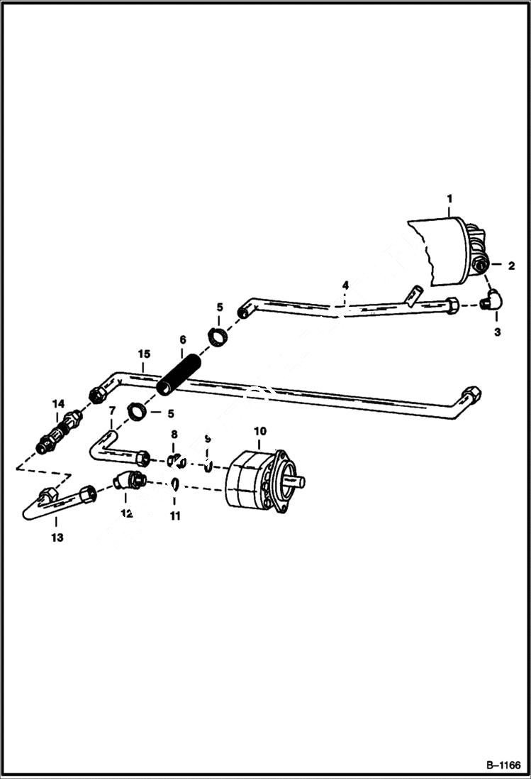
1

FILTER See Illustration HYDRAULIC OIL FILTER/ B13878 NLA - hydrostatic - 10 micron - Was 6555477 - A

2

19F16

BUSHING reducing

3

83F10

ELBOW

4

TUBE NLA - Was 6504828 - A

5

44H20

CLAMP Was 6666864 - A

6

6503078

HOSE

7

TUBE NLA - Was 6501185 - A

8

755050

CONNECTR W/O-Ring

9

25K40028

O RING 10

10

See Illustration HYDRAULIC PUMP/ A1008 See Illustration HYDRAULIC PUMP/ A1008A See Illustration HYDRAULIC PUMP/ C1629 See Illustration HYDRAULIC PUMP/ C1090 See Illustration HYDRAULIC PUMP/ A1074 See

11

885100

O-RING

12

6515615

ELBOW W/O-Ring

13

TUBE NLA - Was 6501183 - A

14

6501199

HOSE

15

TUBE NLA - Was 6501182 - A

Выбрано товаров: 15