Запчасти Bobcat 600s HYDRAULIC PUMP CIRCUITRY Petter Diesel HYDRAULIC SYSTEM

Схема запчастей Bobcat 600s - HYDRAULIC PUMP CIRCUITRY Petter Diesel HYDRAULIC SYSTEM
FIT
1:1
100%

Артикул

Название

Примечание

Количество

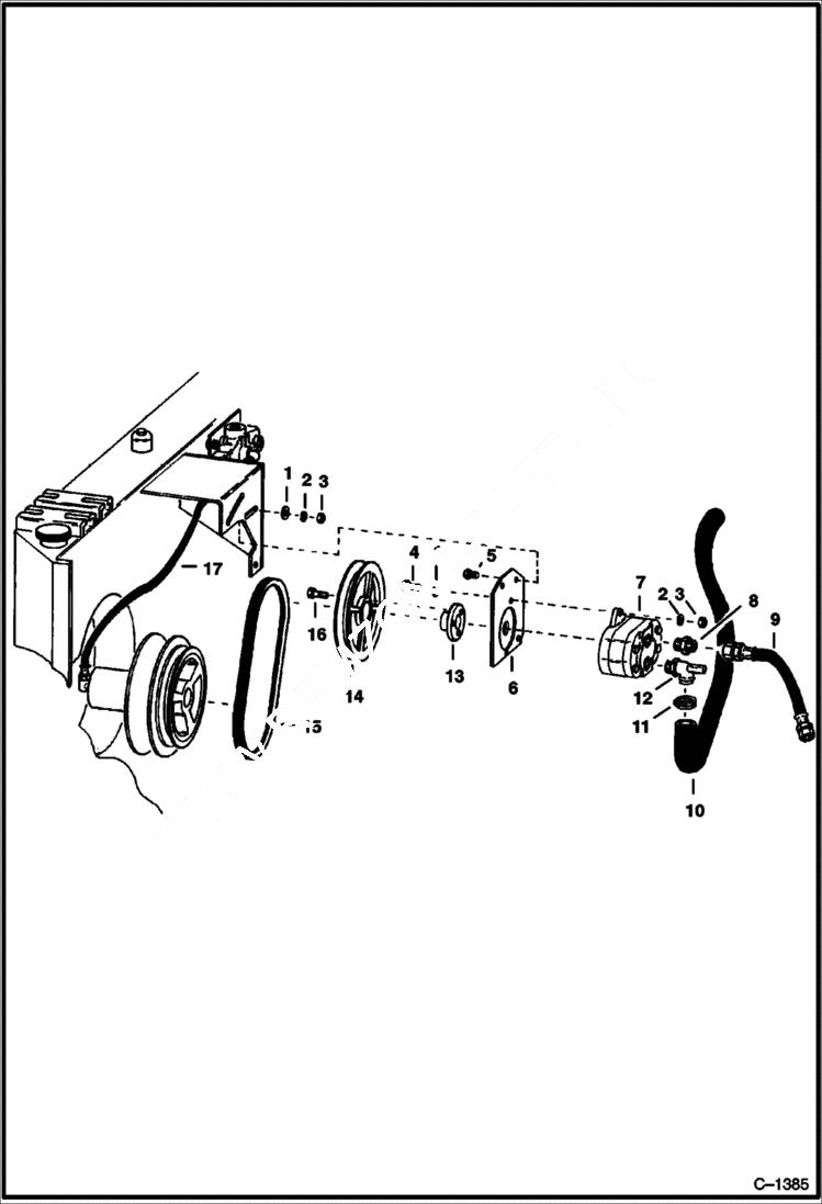
1

784469

WASHER

2

4E6

WASHER

3

61D6

NUT 5

4

17C620

BOLT

5

17C614

BOLT

6

6505255

PLATE

7

PUMP See Illustration HYDRAULIC PUMP/ A1008 See Illustration HYDRAULIC PUMP/ A1008A See Illustration HYDRAULIC PUMP/ C1629 See Illustration HYDRAULIC PUMP/ C1090 See Illustration HYDRAULIC PUMP/ A1074

8

730963

CONNECTR W/O-Ring

8

79K10

O RING 10

9

6505296

HOSE

10

6505260

HOSE

11

42H32

HS CLAMP5

12

TEE NLA - Was 6505294 - A

13

6515297

HUB

14

6516298

SHEAVE

15

6516308

BELT

16

17C418

BOLT

17

DRIVE See Illustration VARIABLE SPEED DRIVE CIRCUITRY/ B1159 See Illustration VARIABLE SPEED DRIVE CIRCUITRY/ C3260 variable speed circuitry

Выбрано товаров: 18